- Partiron
- OEM Parts
- Suzuki
- Motorcycle
- 1992
- GSX-R1100N (1992)
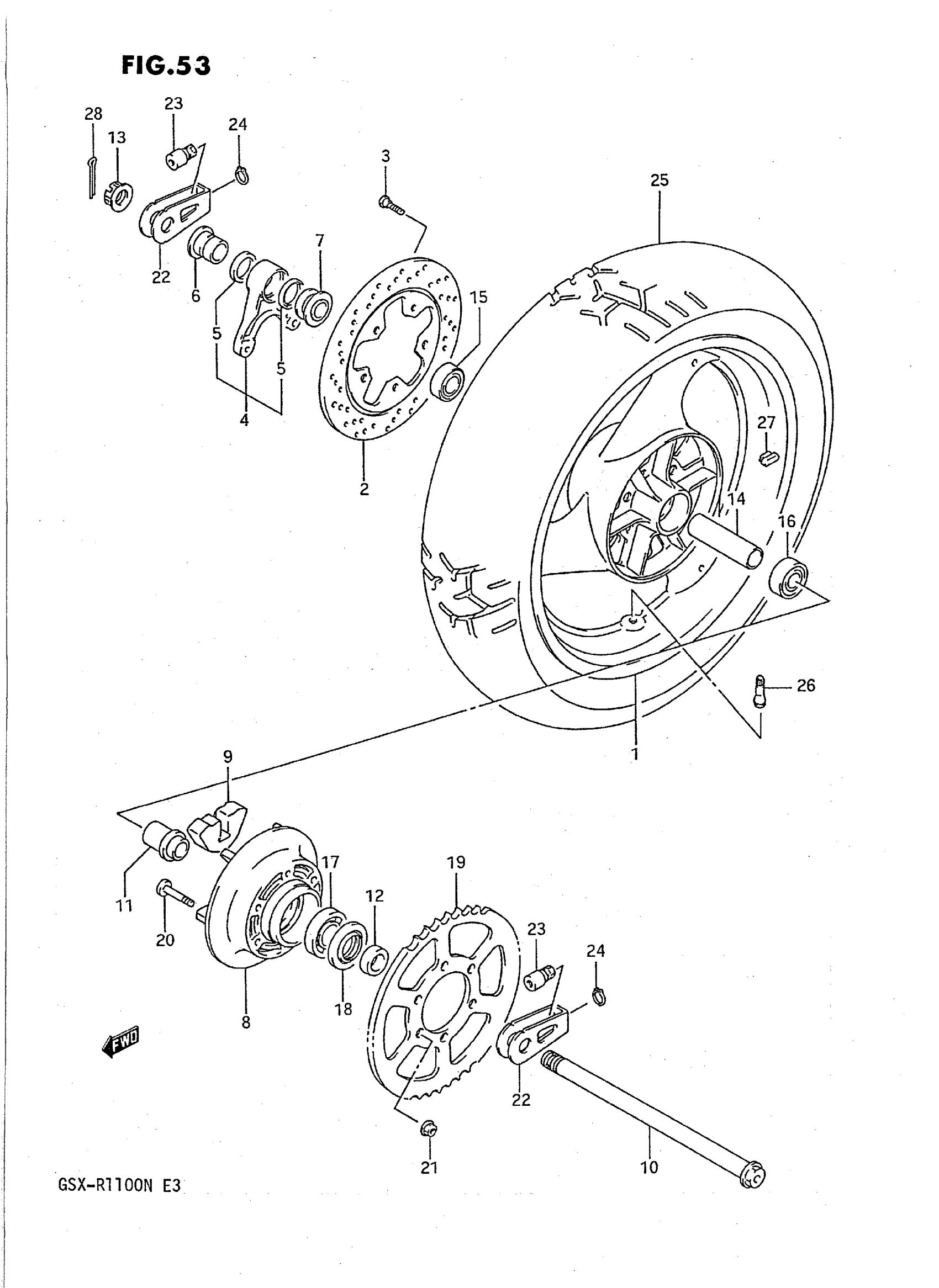
REAR WHEEL
Suzuki GSX-R1100N (1992) REAR WHEEL Diagram
#
Description
Price
1
WHEEL, REAR (17XMT5.50) WHITE | MODEL M,FOR 3SL
64111-07D00-28W
Unavailable
1
WHEEL, REAR (17XMT5.50) SILVE | MODEL M/N,FOR 3EE,M01
64111-07D00-12R
Unavailable
1
WHEEL, REAR (17XMT5.50) BLUE | MODEL N,FOR L99
64111-07D00-1MJ
Unavailable
1
WHEEL, REAR (17XMT5.50) PURPL | MODEL N,FOR 3WC
64111-07D00-1DR
Unavailable
2
DISC, REAR BRAKE
69211-17C00
Unavailable
4
BRACKET, REAR CALIPERS | Includes Item(s) 5
69720-17C00
Unavailable
6
SPACER, CALIPER BRACKET
69412-27A00
Unavailable
7
SPACER, RH
64740-48B00
Unavailable
8
DRUM, SPROCKET
64611-40C00
Unavailable
10
AXLE, REAR
64711-40C10
Unavailable
12
SPACER, LH
64751-40C00
Unavailable
25
TIRE, REAR (180/55 ZR17 D202G This part replaces 65110-41C00.
65110-46E10
Unavailable
27
BALANCER (30G) This part replaces 55413-00A00.
55413-00A01
Unavailable
