- Partiron
- OEM Parts
- Suzuki
- Motorcycle
- 1990
- GSX-R1100 (1990)
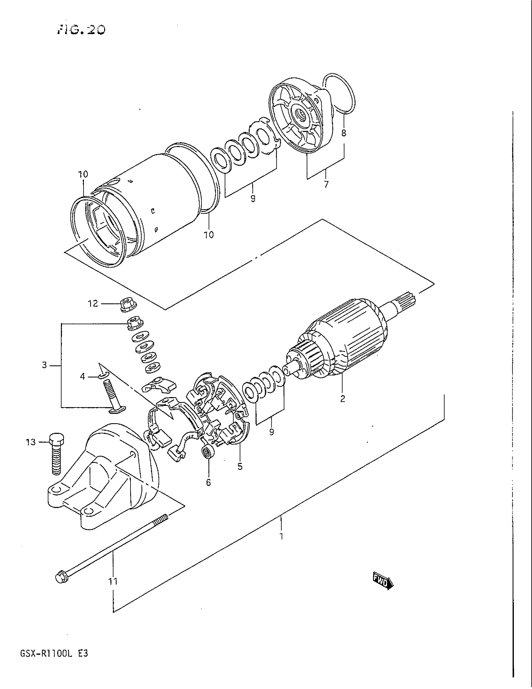
STARTING MOTOR
Suzuki GSX-R1100 (1990) STARTING MOTOR Diagram
#
Description
Price
1
MOTOR ASSY, STARTING | Includes Item(s) 2 - 11 This part replaces 31100-40C00.
31100-26D10
Unavailable
2
ARMATURE This part replaces 31310-40C00.
31310-40C02
Unavailable
7
BRACKET ASSY, FRONT This part replaces 31150-40C00.
31150-26D00
Unavailable
