- Partiron
- OEM Parts
- Suzuki
- Motorcycle
- 2016
- GSX-R1000L6 (2016)
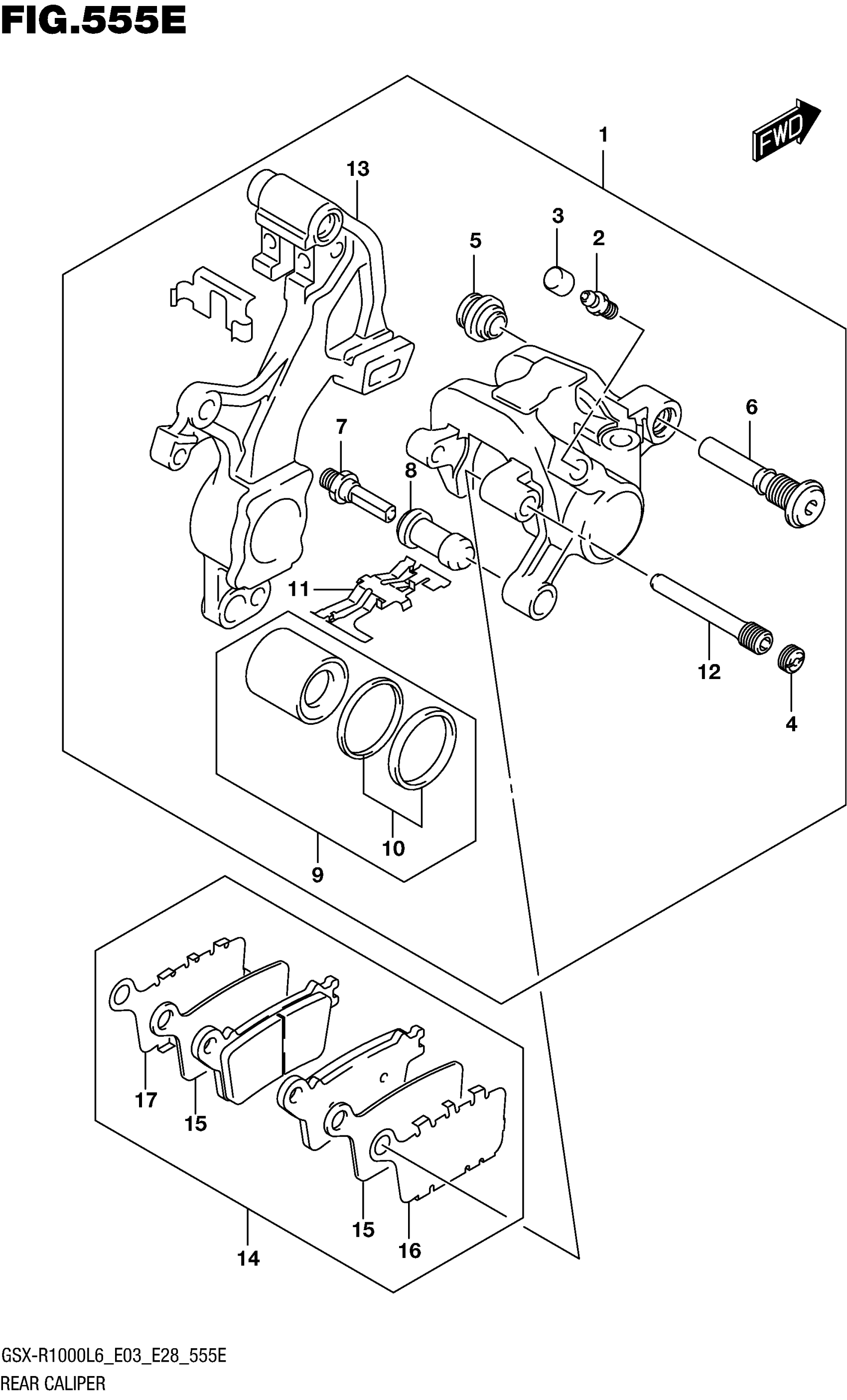
REAR CALIPER (GSX-R1000AL6 E33)
Suzuki GSX-R1000L6 (2016) REAR CALIPER (GSX-R1000AL6 E33) Diagram
#
Description
Price
1
CALIPER ASSY, REAR
69100-47H20-999
Unavailable
