- Partiron
- OEM Parts
- Suzuki
- Motorcycle
- 2016
- GSX-R1000L6 (2016)
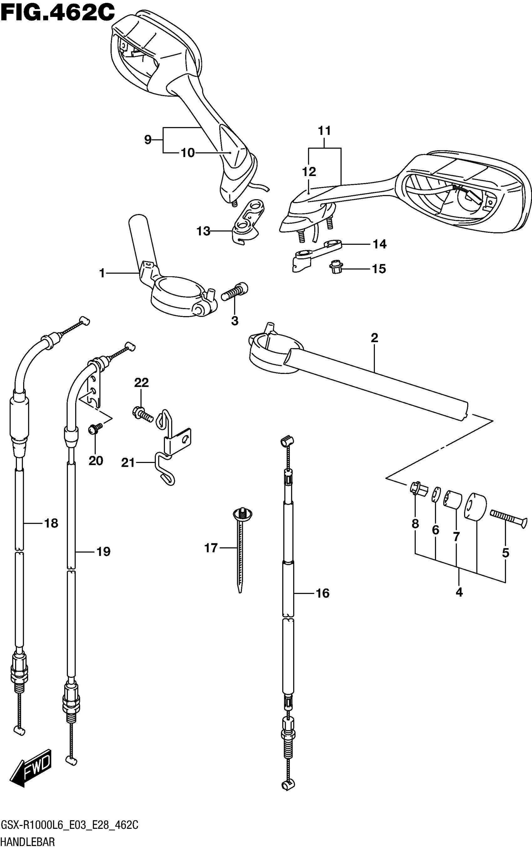
HANDLEBAR (GSX-R1000L6 E33)
Suzuki GSX-R1000L6 (2016) HANDLEBAR (GSX-R1000L6 E33) Diagram
#
Description
Price
HANDLEBAR (GSX-R1000L6 E33)
#
Edit ride
