- Partiron
- OEM Parts
- Suzuki
- Motorcycle
- 2013
- GSX-R1000L3 (2013)
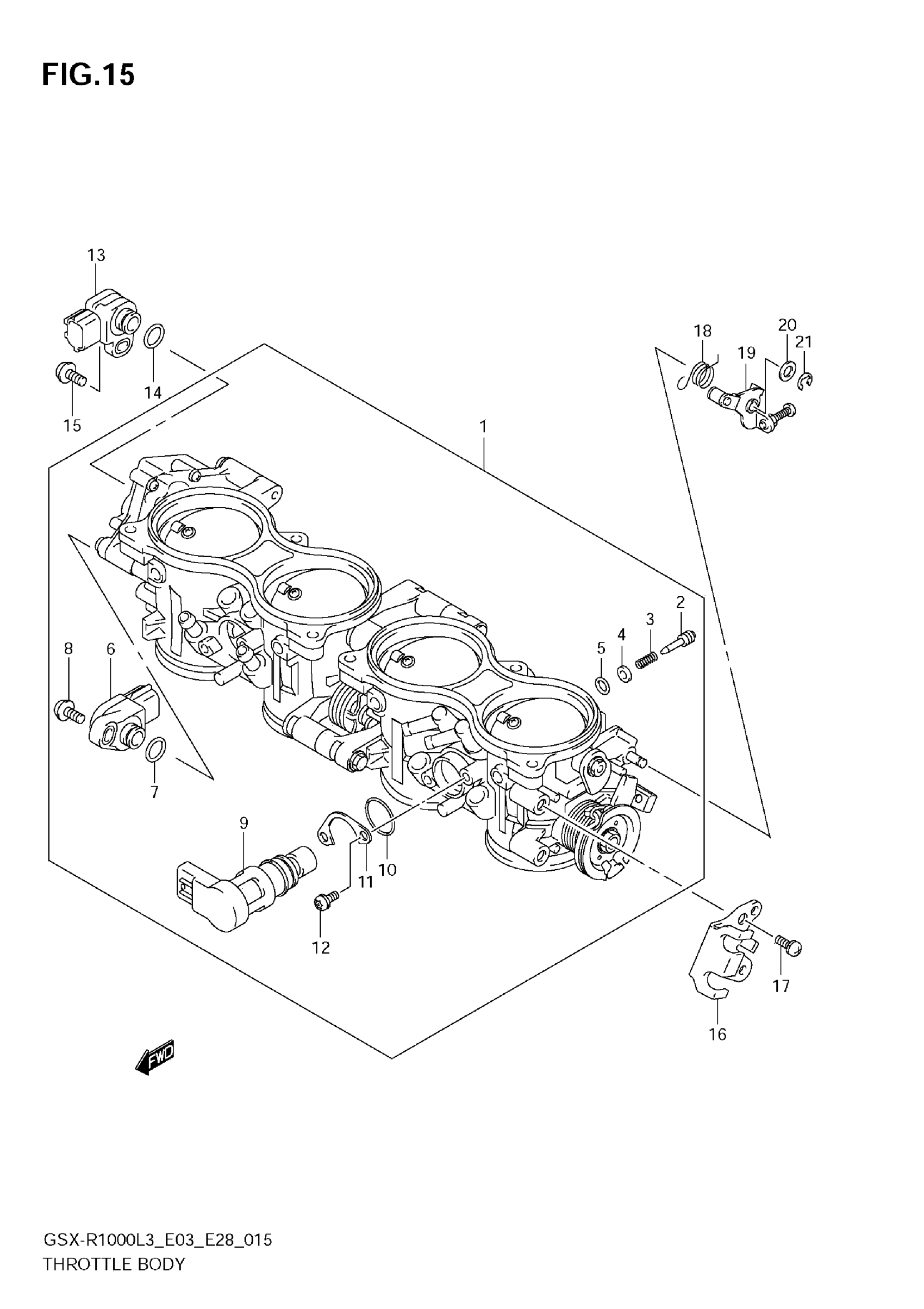
THROTTLE BODY (GSX-R1000ZL3 E03)
Suzuki GSX-R1000L3 (2013) THROTTLE BODY (GSX-R1000ZL3 E03) Diagram
#
Description
Price
3
SPRING
13271-43E00
Unavailable
11
PLATE
13428-15H00
Unavailable
17
SCREW
13601-21H00
Unavailable
18
SPRING
13426-21H00
Unavailable
19
LEVER, LINK
13420-47H00
Unavailable
20
WASHER
13427-35F10
Unavailable
