Partiron

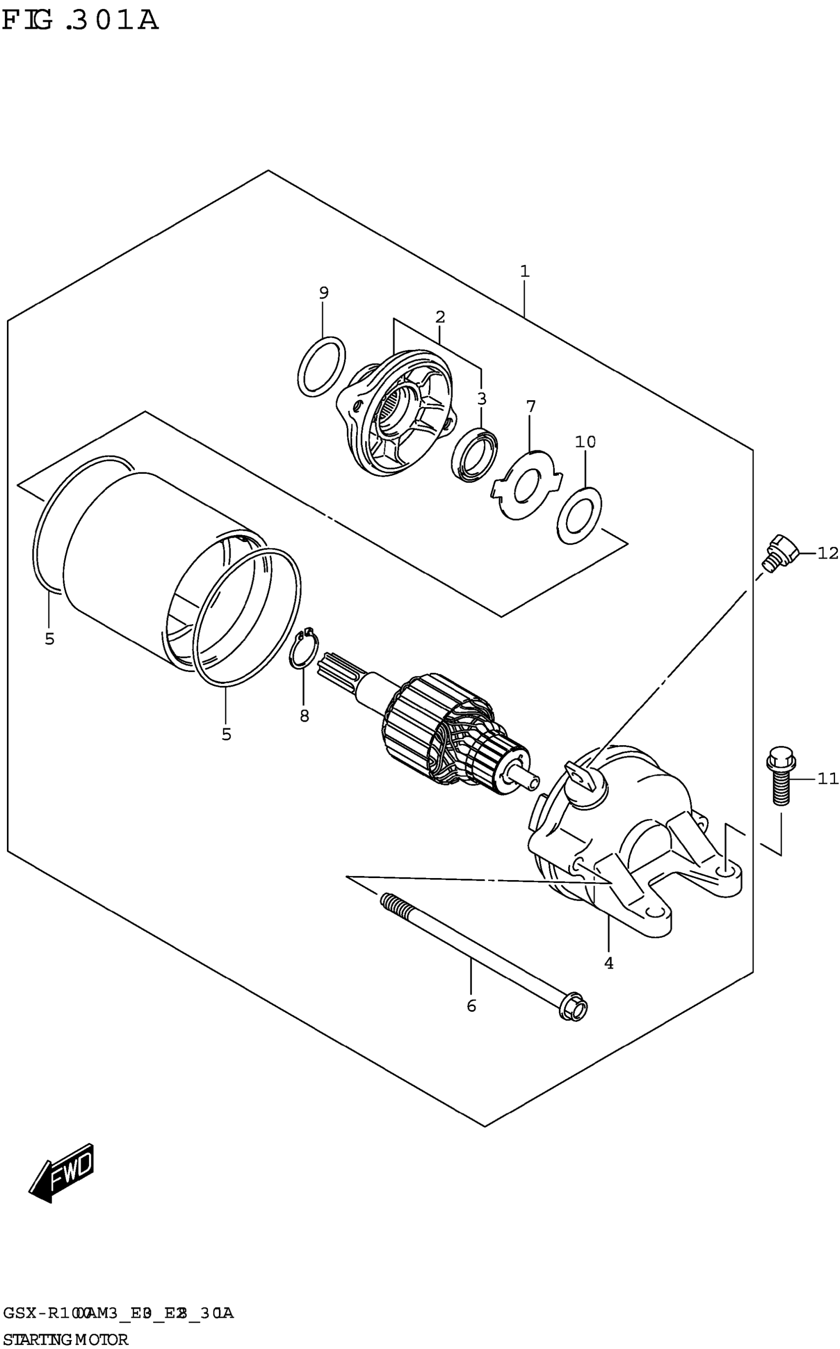
Suzuki GSX-R1000AM3 (2023) STARTING MOTOR Diagram

#

Description
Price

1

MOTOR ASSY,STARTING

31100-17K00

$692.70

2

.HOUSING ASSY

31150-40F01

Unavailable

3

..SEAL,OIL

31153-49210

$24.20

4

.FRAME ASSY

31175-40F01

$151.08

5

.O-RING

31264-32C10

$14.20

6

.BOLT

31281-40F00

Unavailable

7

.PLATE,LOCK

31361-17K00

$7.28

8

.RING,SNAP

31361-10200

Unavailable

9

.SHIM

31361-38300

Unavailable

10

.O-RING (D:3.1,ID:24.5)

31156-40F01

$12.23

11

BOLT

01547-0620A

$2.03

12

SCREW (5X8)

09137-05004

$2.17