- Partiron
- OEM Parts
- Suzuki
- Motorcycle
- 2009
- GSX-R1000 (2009)
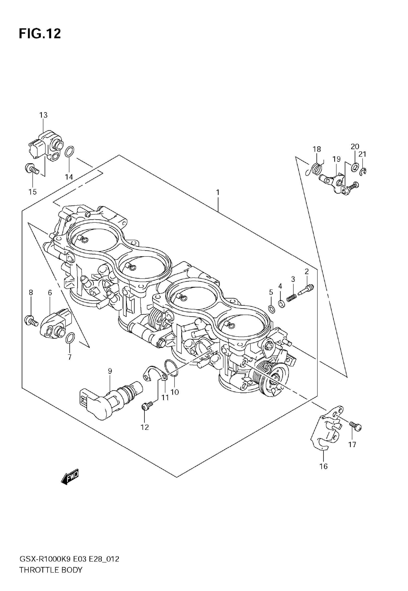
THROTTLE BODY
Suzuki GSX-R1000 (2009) THROTTLE BODY Diagram
#
Description
Price
1
THROTTLE BODY | E3,E28
13406-47H00
Unavailable
1
THROTTLE BODY | E33; Includes Item(s) 2 - 12
13406-47H10
Unavailable
3
SPRING, AIR SCREW
13271-43E00
Unavailable
11
PLATE
13428-15H00
Unavailable
17
SCREW
13601-21H00
Unavailable
18
SPRING
13426-21H00
Unavailable
19
LEVER, LINK
13420-47H00
Unavailable
20
WASHER
13427-35F10
Unavailable
