- Partiron
- OEM Parts
- Suzuki
- Motorcycle
- 2002
- GSX-R1000 (2002)
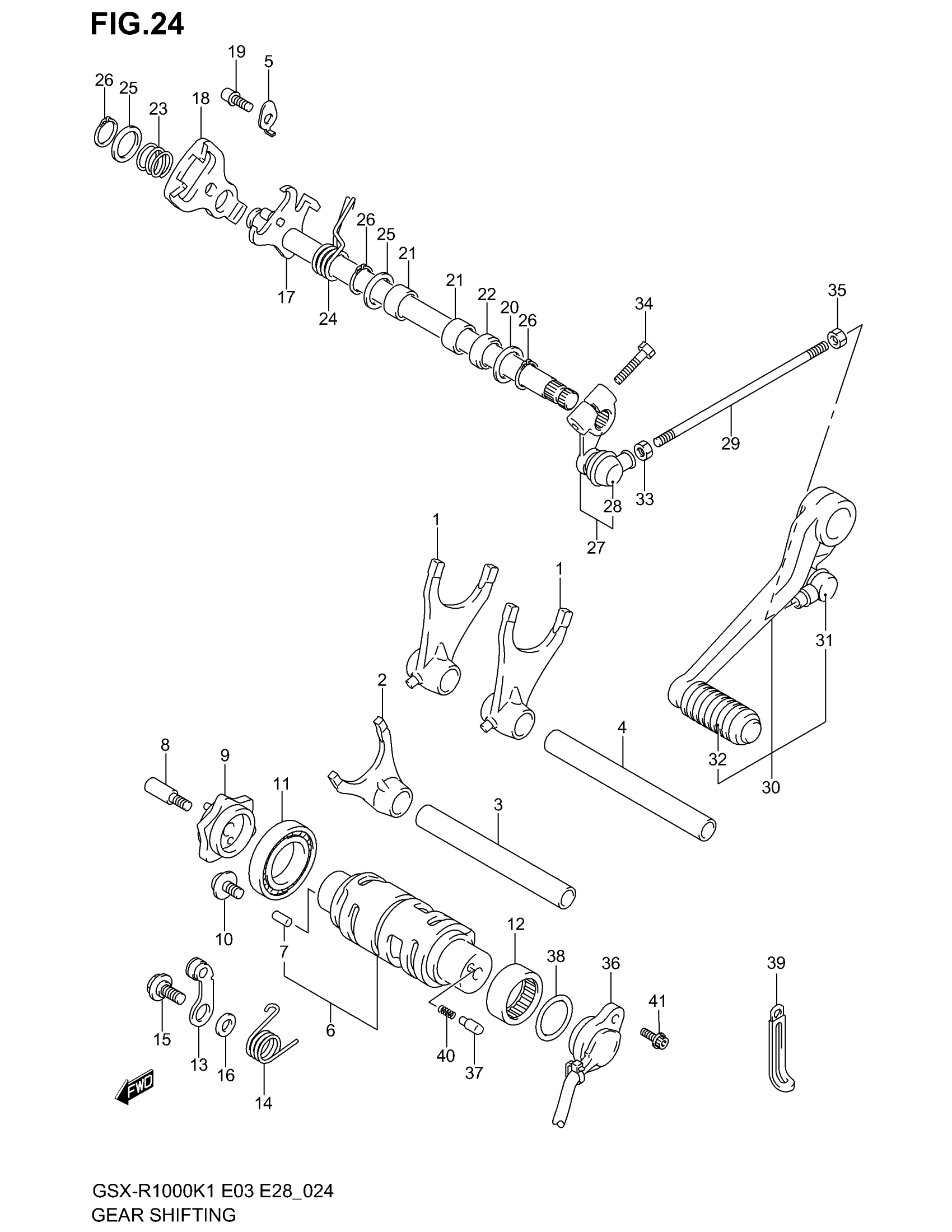
GEAR SHIFTING
Suzuki GSX-R1000 (2002) GEAR SHIFTING Diagram
#
Description
Price
17
SHAFT, GEAR SHIFT
25510-35F01
Unavailable
GEAR SHIFTING
#
17
25510-35F01
Unavailable
Edit ride
