- Partiron
- OEM Parts
- Sea-doo
- Watercraft
- 1999
- GSX
- GSX Limited, 5848/5849, 1999
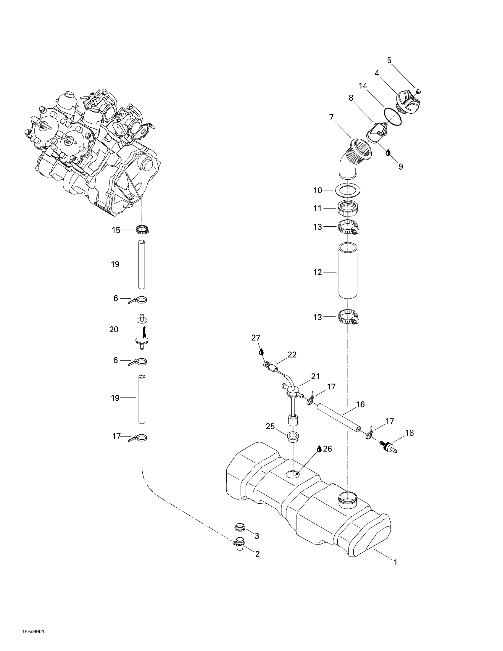
Oil Injection System
Sea-doo GSX Limited, 5848/5849, 1999 Oil Injection System Diagram
#
Description
Price
2
Elbow Fitting 90°
293710070
Unavailable
4
OIL CAP - Call your local BRP dealership | Includes 17 to 18
275000221
Unavailable
5
Snap Cap, Black
293000076
Unavailable
7
Filler Neck
275000187
Unavailable
8
Restrictor
275000190
Unavailable
12
Filler Hose
275000188
Unavailable
14
GASKET - Call your local BRP dealership This part replaces 293250075.
293250211
Unavailable
16
HOSE-6MM. 5000MM LONG - Call your local BRP dealership
219704396
Unavailable
20
OIL FILTER - Call your local BRP dealership
275000051
Unavailable
21
Oil Sensor | Includes 44 to 48
278001402
Unavailable
OIL 2T CARB PREM. MINERAL 55 GAL/205L This part replaces 413803200.
779123
Unavailable
SYNTHETIC INJECTION OIL, 12 X 1 LITER - Call your local BRP dealership
413710500
Unavailable
OIL 2T 3X1G SYNTH - Call your local BRP dealership This part replaces 293600046.
293600133
Unavailable
OIL 2T E-TEC SYNTHETIC 55 GAL/205L This part replaces 293600047.
779130
Unavailable
