- Partiron
- OEM Parts
- Sea-doo
- Watercraft
- 1996
- GSX
- GSX, 5620, 1996
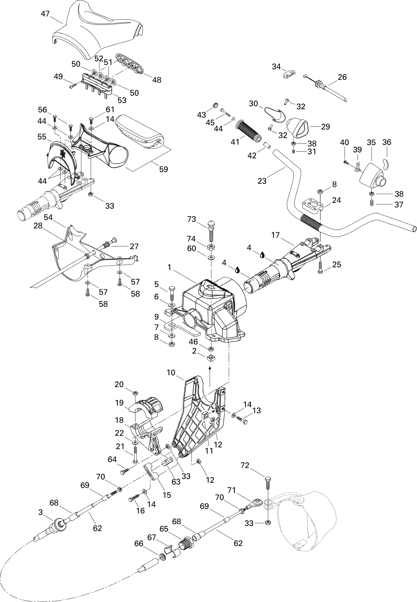
Steering System
Sea-doo GSX, 5620, 1996 Steering System Diagram
#
1
STEERING SUPPORT - Call your local BRP dealership | Includes 59 to 61
277001471
Unavailable
2
NUT HOUSING ASS'Y - Call your local BRP dealership | Includes 60 to 61
271000598
Unavailable
3
KNOB ADJUSTER - Call your local BRP dealership
277000167
Unavailable
4
Synthetic Grease, 400 G
293550010
Unavailable
9
GASKET - Call your local BRP dealership
293250171
Unavailable
10
CABLE SUPPORT - Call your local BRP dealership | Includes 56 to 58
277001522
Unavailable
15
SUPPORT THRUST - Call your local BRP dealership This part replaces 277000162.
277001528
Unavailable
17
Steering Stem
277000562400
Unavailable
18
Steering Stem Arm
277000573
Unavailable
19
Arm Thrust | Includes 43 to 44
277000519
Unavailable
23
Handle bar
277000305
Unavailable
24
STEERING CLAMP - Call your local BRP dealership
277000142
Unavailable
25
HEX. SCREW M8 X 50 - Call your local BRP dealership
207085060
Unavailable
26
Throttle Cable
277000596
Unavailable
27
Choke Cable(Incl. It. 8)
270000237
Unavailable
28
NUT-HEXAGONAL HI-LEX - Call your local BRP dealership
211100030
Unavailable
29
Throttle Handle Housing
277000285
Unavailable
30
Throttle Handle
277000214
Unavailable
31
Set Screw M6 x 12
206361060
Unavailable
32
PIN - Call your local BRP dealership
277000381
Unavailable
34
TAB LOCK - Call your local BRP dealership
277000279
Unavailable
35
LH HANDLE HOUSING - Call your local BRP dealership | Includes 35 - 38.
277000498
Unavailable
36
VTS KNOB - Call your local BRP dealership
277000497
Unavailable
37
SCREW-SET SOCKET DIN.914A2 - Call your local BRP dealership
206361260
Unavailable
39
Retainer Plate
277000219
Unavailable
40
SCREW-TAPP.PAN HD.PH.DIN.7981C-A2 - Call your local BRP dealership
209631360
Unavailable
42
Not Available As Spare Part - Friction Washer
Unavailable
45
PLASTITE SCREW HEX. M6.81 X 45 - Call your local BRP dealership | (7448 Up to S/N v000708)
243164560
Unavailable
46
HEX. ELASTIC NUT M10 - Call your local BRP dealership
232501600
Unavailable
47
Upper Steering Cover | Includes 46 - 47.
277000604
Unavailable
48
Retainer Plate
277000651
Unavailable
50
Knob
293000057
Unavailable
51
<> Knob
293000058
Unavailable
52
<> Knob
293000054
Unavailable
53
Switch Support | LE
277000563
Unavailable
54
Lower Steering Cover
277000536
Unavailable
55
PLATE - Call your local BRP dealership
277000549
Unavailable
56
PHILLIPS SCREW M3.9 X 9.5 - Call your local BRP dealership
209630960
Unavailable
59
Pad-Handle
277000586
Unavailable
62
Steering Cable
277000367
Unavailable
63
Rotule
277000174
Unavailable
66
RUBBER WASHER - Call your local BRP dealership
211100009
Unavailable
68
Boot, Large
277000473
Unavailable
69
Boot, Small
277000466
Unavailable
71
BALL JOINT - Call your local BRP dealership
277000153
Unavailable
73
LATCH STUD - Call your local BRP dealership
291000689
Unavailable
