Partiron

Suzuki GSF600S-BANDIT (1999) SIGNAL GENERATOR Diagram

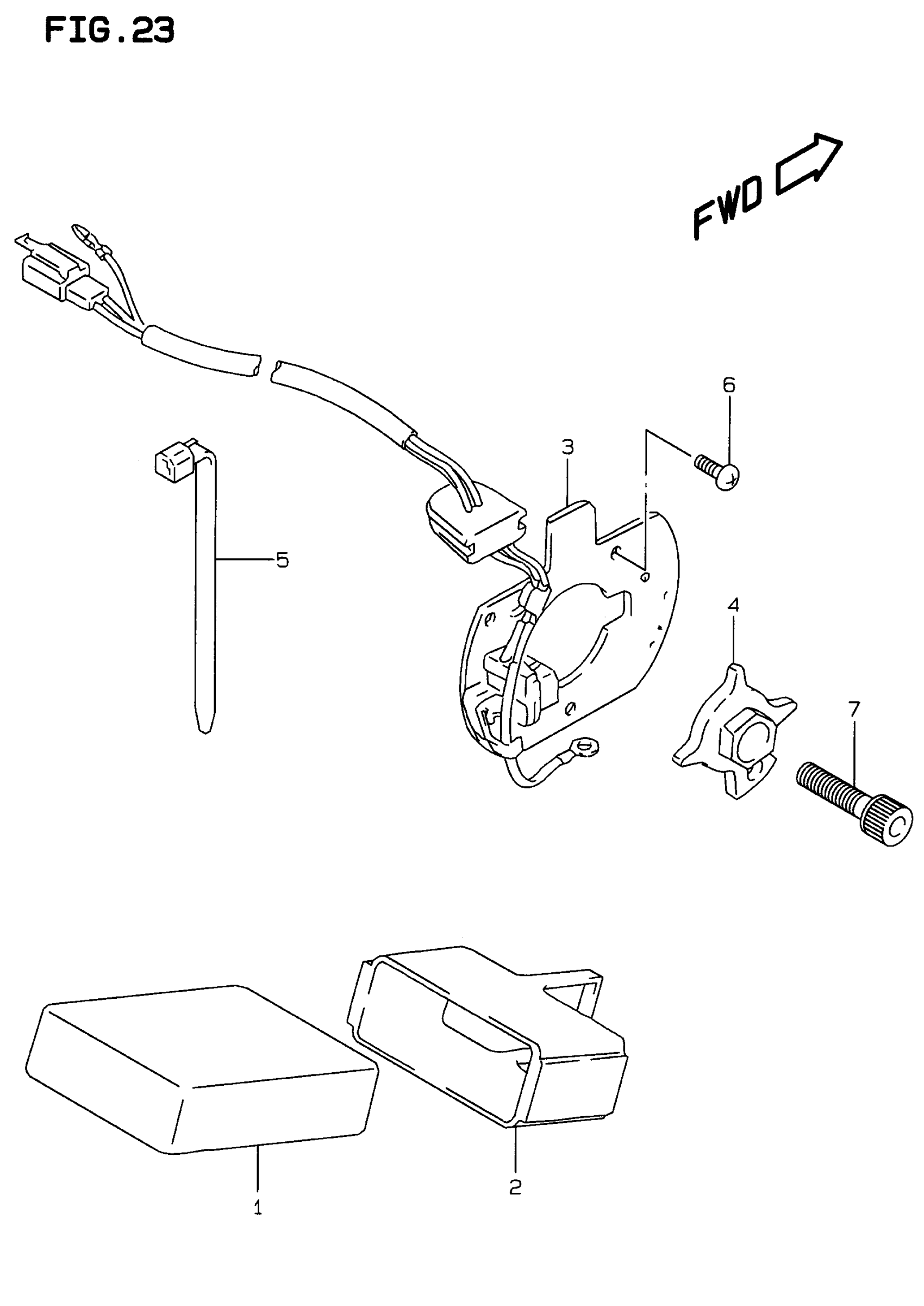
#

Description
Price

1

IGNITER ASSY | MODEL T

32900-26E00

Unavailable

1

IGNITER ASSY | MODEL V/W/X

32900-26E10

Unavailable

2

CUSHION, IGNITER

32980-40C01

$15.83

3

STATOR, SIGNAL GENERATOR

33110-17C00

$292.98

4

ROTOR, SIGNAL GENERATOR

33120-19C20

$198.45

5

CLAMP, LEAD WIRE (L:125)

09407-11401

$2.63

6

SCREW, THROTTLE This part replaces 02112-05103.

02112-0510A

$1.49

7

BOLT, STEERING DAMPER This part replaces 07130-08303.

07130-0830A

$1.74