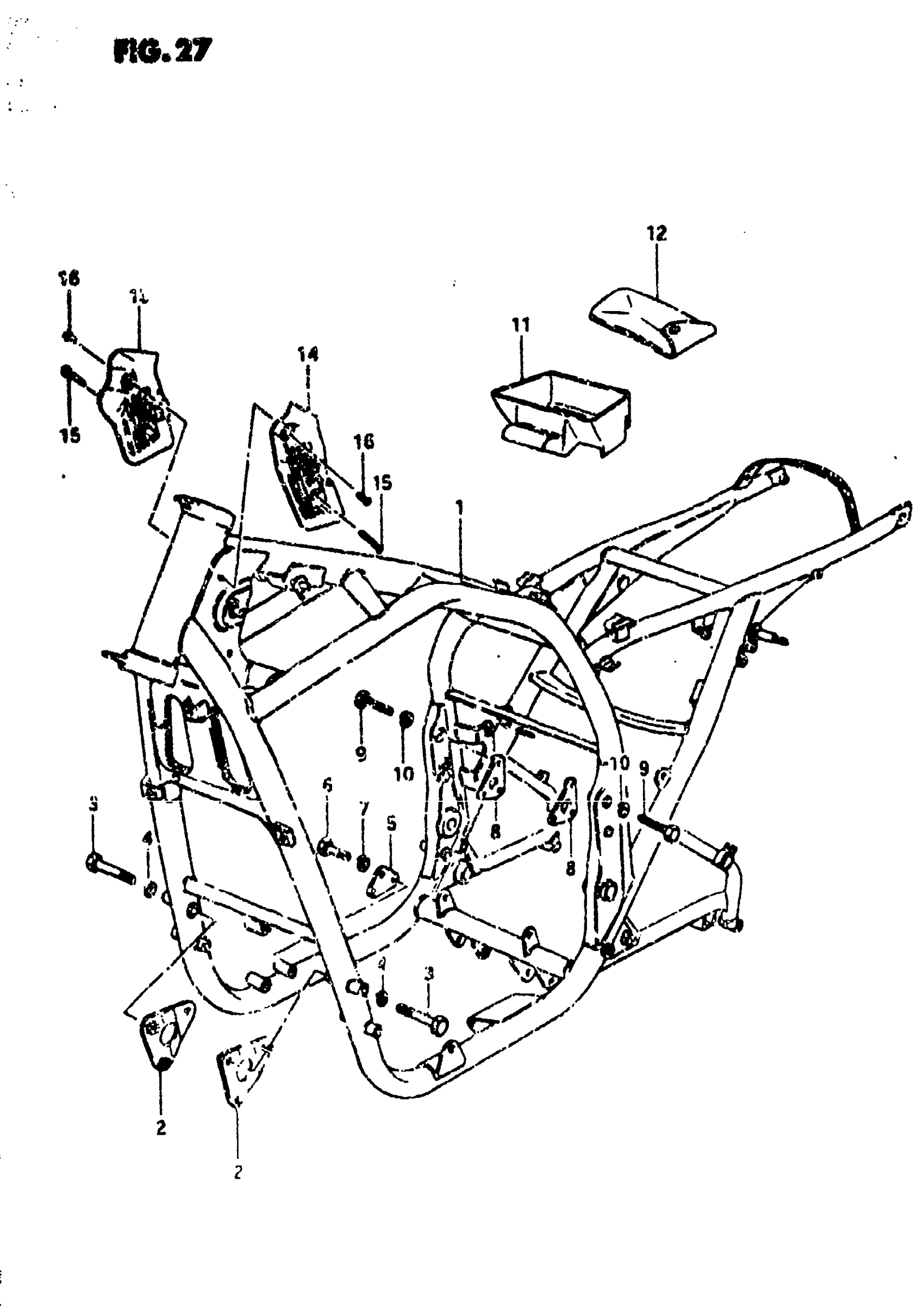
Suzuki GS750L (1981) FRAME Diagram
#
Description
Price
1
FRAME (BLACK)
41100-45250-019
Unavailable
2
PLATE, NO.1 (BLACK)
41910-49200-019
Unavailable
5
PLATE, NO.2 (SILVER) This part replaces 41921-49000-019.
41921-49000-13L
Unavailable
8
PLATE, NO.3 (SILVER) This part replaces 41940-49000-019.
41940-49000-13L
Unavailable
11
HOLDER, TOOL
41551-49101
Unavailable
12
TOOL ASSY This part replaces 09800-00812.
09800-21068
Unavailable
13
COVER, FRAME HEAD RH | MODEL T
51876-49100
Unavailable
13
COVER, FRAME HEAD RH | MODEL X
51876-45210
Unavailable
14
COVER, FRAME HEAD LH | MODEL T
51886-49100
Unavailable
14
COVER, FRAME HEAD LH | MODEL X
51886-45210
Unavailable
15
NO DESCRIPTION AVAILABLE This part replaces 02142-05505.
02142-05503
Unavailable
