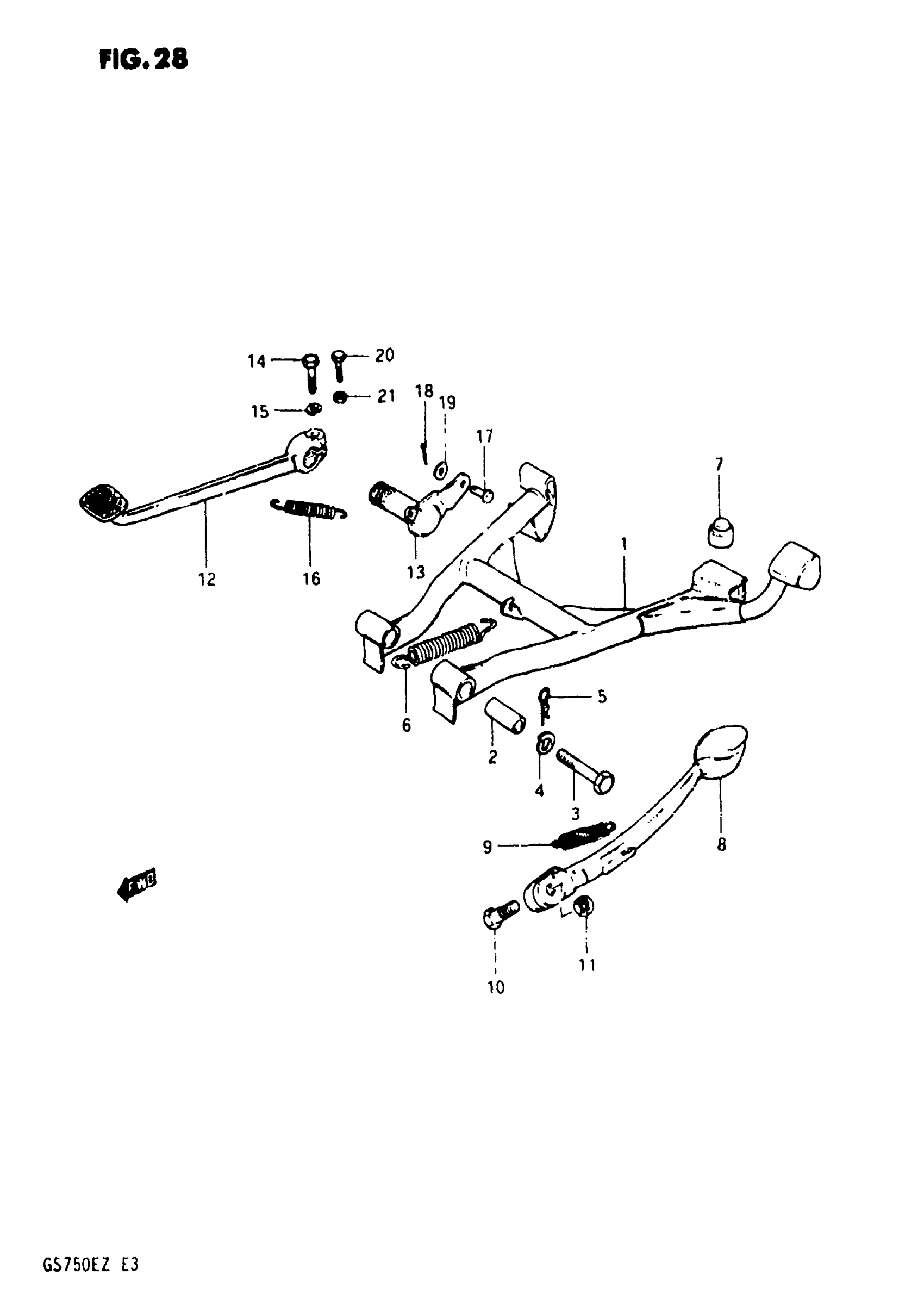
Suzuki GS750E (1982) STAND Diagram
#
Description
Price
1
STAND, CENTER
42100-49200
Unavailable
3
BOLT, 10 X 65 This part replaces 09101-10018.
09101-10030
Unavailable
8
STAND, PROP
42311-49200
Unavailable
12
PEDAL, BRAKE
43110-49500
Unavailable
13
ARM, BRAKE PADAL ROD
43120-49210
Unavailable
17
PIN
09200-06029
Unavailable
