- Partiron
- OEM Parts
- Suzuki
- Motorcycle
- 1982
- GS750E (1982)
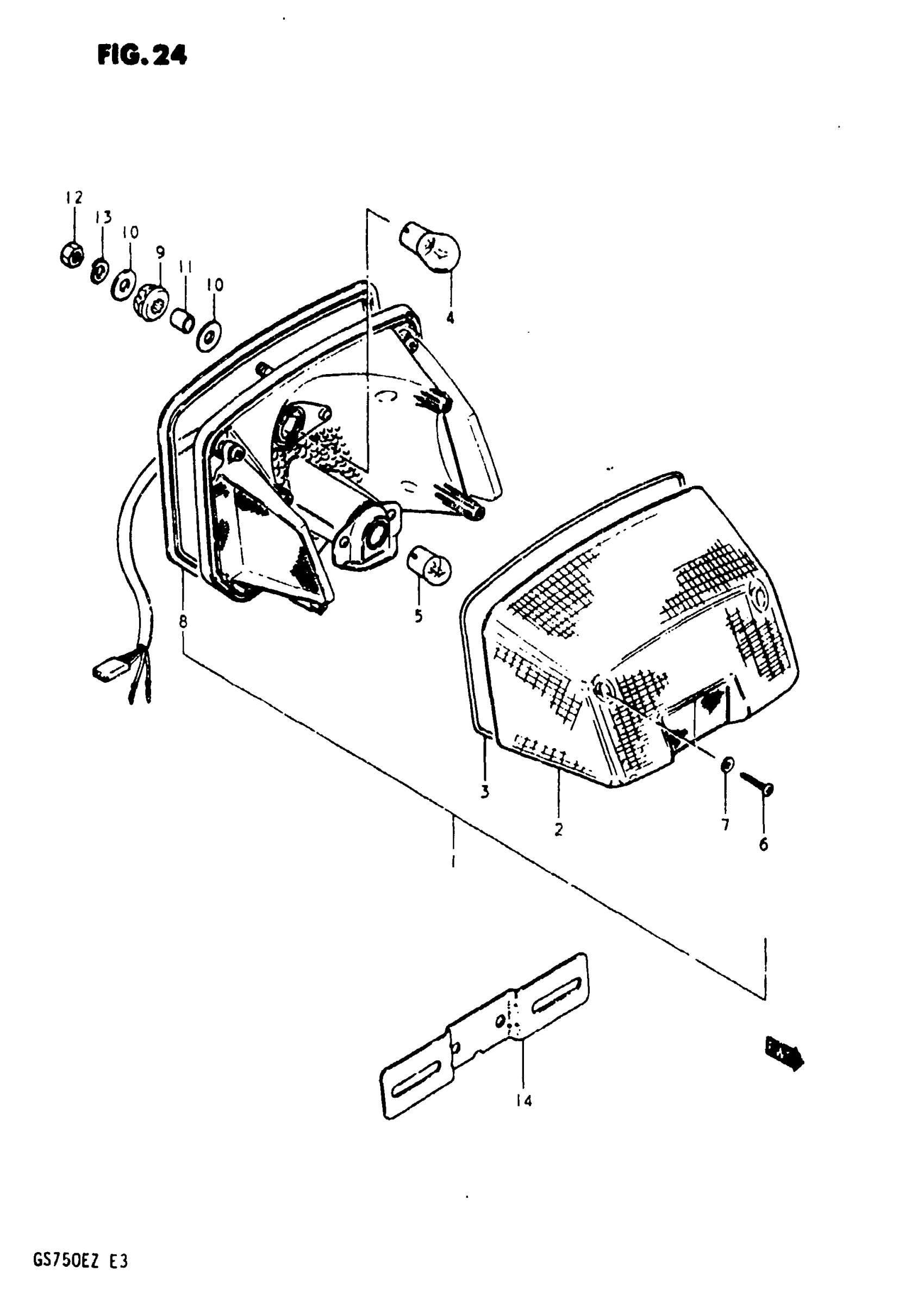
REAR COMBINATION LAMP
Suzuki GS750E (1982) REAR COMBINATION LAMP Diagram
#
Description
Price
1
LAMP ASSY, TAIL | Includes Item(s) 2 - 8
35710-49230
Unavailable
2
LENS
35712-49230
Unavailable
3
GASKET
35713-49230
Unavailable
5
BULB (12V, BW) This part replaces 09471-12037.
09471-12141
Unavailable
8
GASKET
35733-49230
Unavailable
14
PLATE, LICENCE
35927-49230
Unavailable
