- Partiron
- OEM Parts
- Suzuki
- Motorcycle
- 1981
- GS750E (1981)
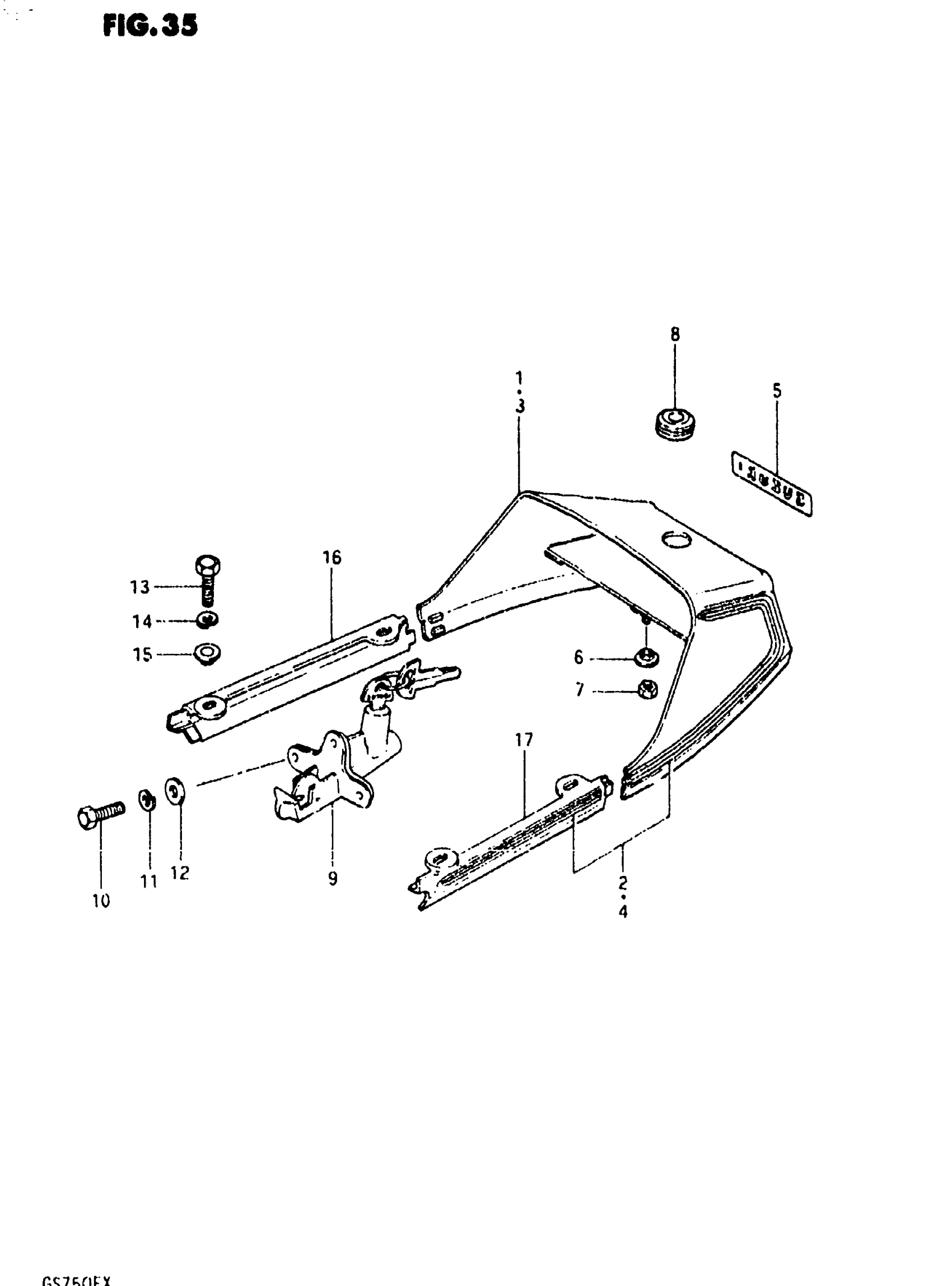
SEAT TAIL COVER (GS750EX)
Suzuki GS750E (1981) SEAT TAIL COVER (GS750EX) Diagram
#
Description
Price
1
NO DESCRIPTION AVAILABLE | Includes Item(s) 2 This part replaces 45500-45440-019.
45510-49200
Unavailable
2
TAPE SET
68160-45440-75G
Unavailable
3
NO DESCRIPTION AVAILABLE | Includes Item(s) 4 This part replaces 45500-45440-05L.
45510-49200
Unavailable
4
TAPE SET
68160-45440-75F
Unavailable
5
EMBLEM
68166-49200-998
Unavailable
9
SEAT LOCK SET
95700-49830
Unavailable
16
HOLDING SEAT RH This part replaces 45191-49200-019.
45191-49200
Unavailable
16
HOLDING SEAT RH This part replaces 45191-49200-05L.
45191-49200
Unavailable
17
MOLDING SEAT, L This part replaces 45192-49200-019.
45192-49200
Unavailable
17
MOLDING SEAT, L This part replaces 45192-49200-05L.
45192-49200
Unavailable
