- Partiron
- OEM Parts
- Suzuki
- Motorcycle
- 1986
- GS550L (1986)
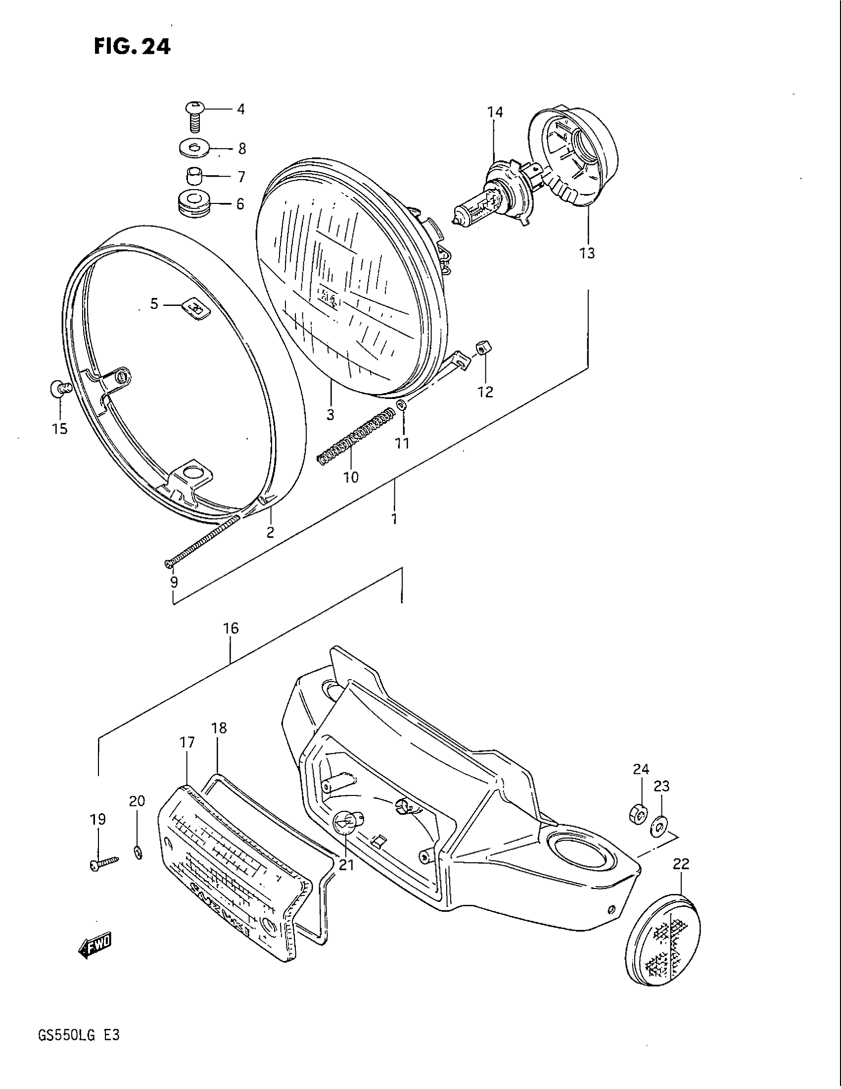
HEADLAMP
Suzuki GS550L (1986) HEADLAMP Diagram
#
Description
Price
1
HEADLAMP ASSY | Includes Item(s) 2 - 13
35100-05A30-999
Unavailable
2
RIM
35111-15530
Unavailable
3
UNIT
35121-05A30
Unavailable
10
SPRING
35154-27630
Unavailable
13
COVER, SOCKET
35173-45200
Unavailable
16
LAMP ASSY, FRONT POSITION | MODEL F
36110-43550
Unavailable
16
LAMP ASSY, FRONT POSITION | MODEL G; Includes Item(s) 17 - 21
36110-15550
Unavailable
17
LENS | MODEL F
36112-43540
Unavailable
17
LENS | MODEL G
36112-15510
Unavailable
18
GASKET
36113-15500
Unavailable
19
SCREW
36117-15500
Unavailable
21
BULB This part replaces 09471-12036.
09471-120V6
Unavailable
22
REFLEX REFLECTOR, FRONT This part replaces 35950-15530.
35950-44930
Unavailable
