- Partiron
- OEM Parts
- Suzuki
- Motorcycle
- 1986
- GS550L (1986)
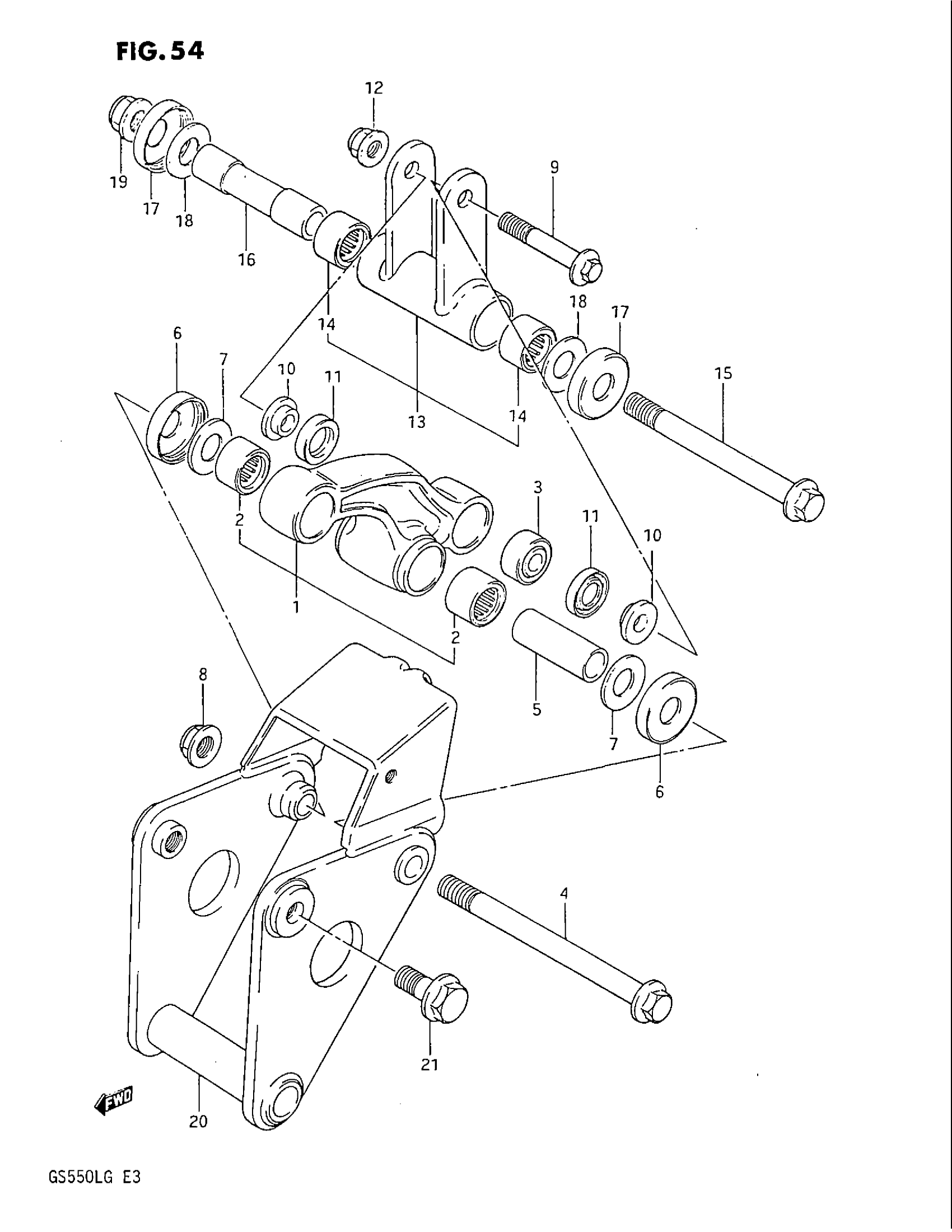
CUSHION LEVER
Suzuki GS550L (1986) CUSHION LEVER Diagram
#
Description
Price
1
LEVER SET, CUSHION (BLACK) | Includes Item(s) 2 - 3
62600-43810-291
Unavailable
4
SHAFT
62621-43400
Unavailable
5
SPACER
62623-43400
Unavailable
6
COVER This part replaces 61262-41500.
61262-41501
Unavailable
13
ROD SET, CUSHION LEVER (BLACK | Includes Item(s) 14
62600-43830-291
Unavailable
15
BOLT, LOWER
62313-43401
Unavailable
16
SPACER, LOWER
62316-43400
Unavailable
17
COVER This part replaces 61262-41500.
61262-41501
Unavailable
20
HOLDER, CUSHION LEVER
62690-43501
Unavailable
