- Partiron
- OEM Parts
- Suzuki
- Motorcycle
- 1983
- GS550L (1983)
GEAR SHIFTING
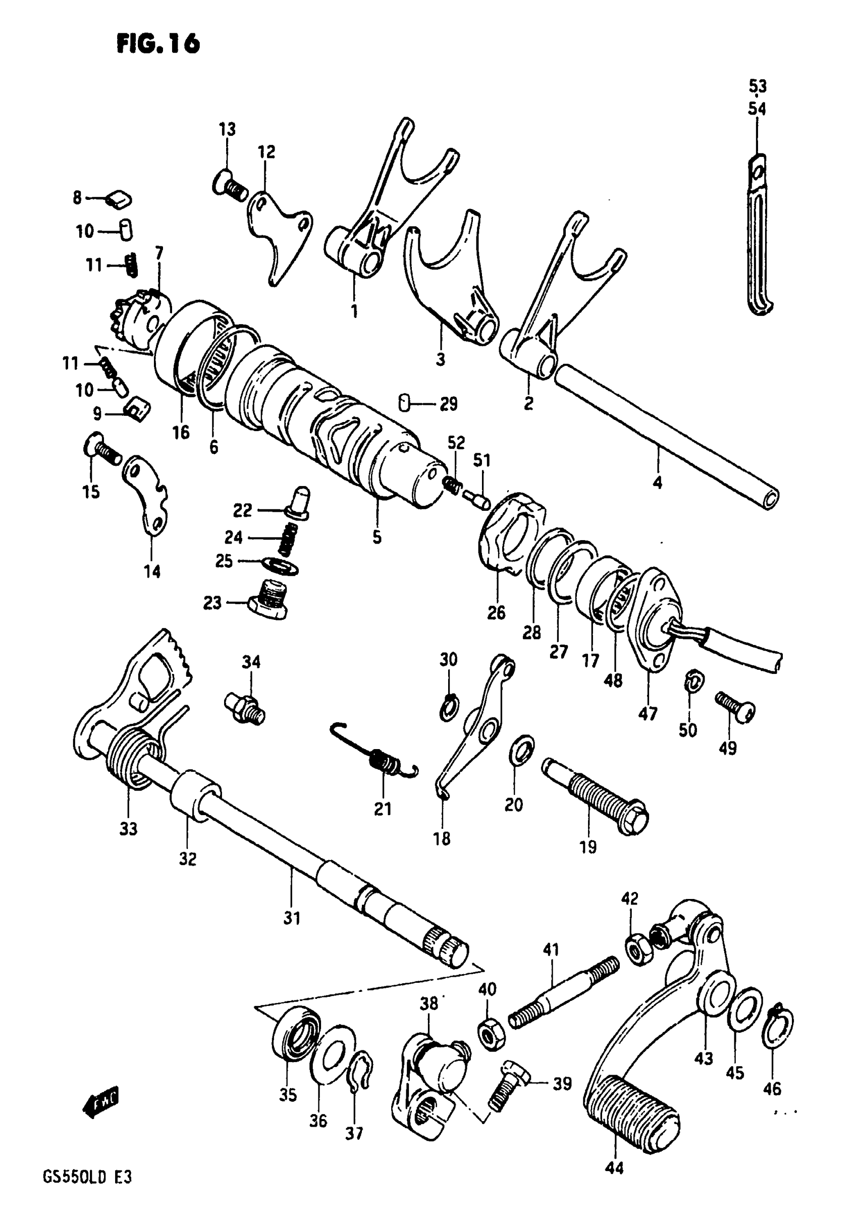
Suzuki GS550L (1983) GEAR SHIFTING Diagram
#
Description
Price
1
NO DESCRIPTION AVAILABLE This part replaces 25211-43400.
25211-43401
Unavailable
2
NO DESCRIPTION AVAILABLE This part replaces 25221-43400.
25221-43401
Unavailable
3
NO DESCRIPTION AVAILABLE This part replaces 25231-43400.
25231-43401
Unavailable
4
NO DESCRIPTION AVAILABLE This part replaces 25411-15501.
25411-15510
Unavailable
5
CAM, GEAR SHIFTING
25310-43500
Unavailable
6
WASHER
09160-40006
Unavailable
12
NO DESCRIPTION AVAILABLE This part replaces 25331-15500.
25331-15501
Unavailable
14
GUIDE, CAM
25341-43400
Unavailable
18
STOPPER, CAM
25350-43400
Unavailable
19
SHAFT
25353-43400
Unavailable
21
SPRING
09443-08032
Unavailable
24
SPRING
09440-06027
Unavailable
26
PLATE, STOPPER
25381-04700
Unavailable
28
WASHER
08212-25305
Unavailable
31
SHAFT, GEAR SHIFTING
25510-43500
Unavailable
33
SPRING
09444-26014
Unavailable
41
ROD
25525-43500
Unavailable
43
LEVER ASSY, GEAR SHIFTING | Includes Item(s) 44 This part replaces 25600-43500.
25600-43501
Unavailable
47
BODY, GEAR SHIFTING SWITCH
37720-43410
Unavailable
