- Partiron
- OEM Parts
- Suzuki
- Motorcycle
- 1980
- GS550L (1980)
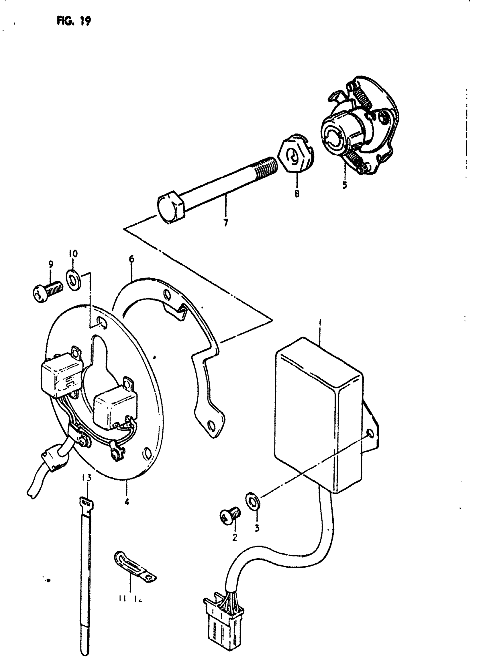
SIGNAL GENERATOR
Suzuki GS550L (1980) SIGNAL GENERATOR Diagram
#
Description
Price
1
IGNITER UNIT
32900-47020
Unavailable
4
NO DESCRIPTION AVAILABLE This part replaces 33110-47020.
33110-47030
Unavailable
5
GOVERNOR ASSY, ADVANCE
33120-47020
Unavailable
6
PLATE, TIMING
33371-45001
Unavailable
8
WASHER
33465-47000
Unavailable
