- Partiron
- OEM Parts
- Suzuki
- Motorcycle
- 1980
- GS550L (1980)
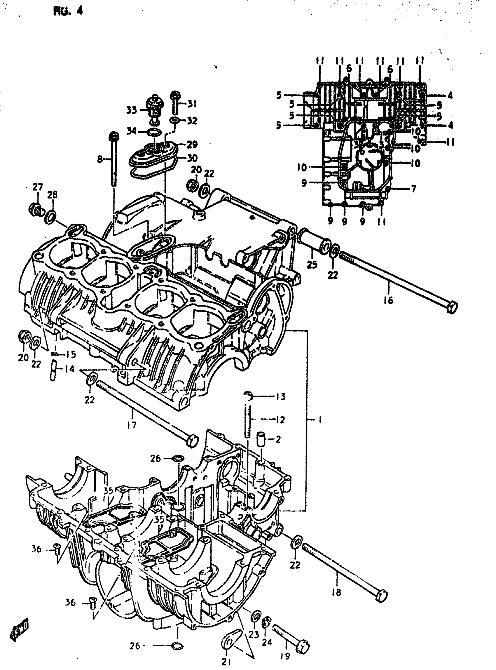
CRANKCASE
Suzuki GS550L (1980) CRANKCASE Diagram
#
Description
Price
1
CRANKCASE SET | Includes Item(s) 2 - 15 This part replaces 11300-47812.
11300-34880
Unavailable
16
NO DESCRIPTION AVAILABLE This part replaces 09100-10074.
09100-10074-XC0
Unavailable
17
BOLT (10X200) This part replaces 09100-10111.
09103-10138
Unavailable
20
NUT
09159-10010
Unavailable
25
SPACER (L:50) This part replaces 11610-45000.
11610-44010
Unavailable
29
HOUSING, OIL PRESSURE SWITCH
16445-45000
Unavailable
35
PLATE, OIL SEPARATOR
11521-47000
Unavailable
