- Partiron
- OEM Parts
- Suzuki
- Motorcycle
- 1979
- GS550L (1979)
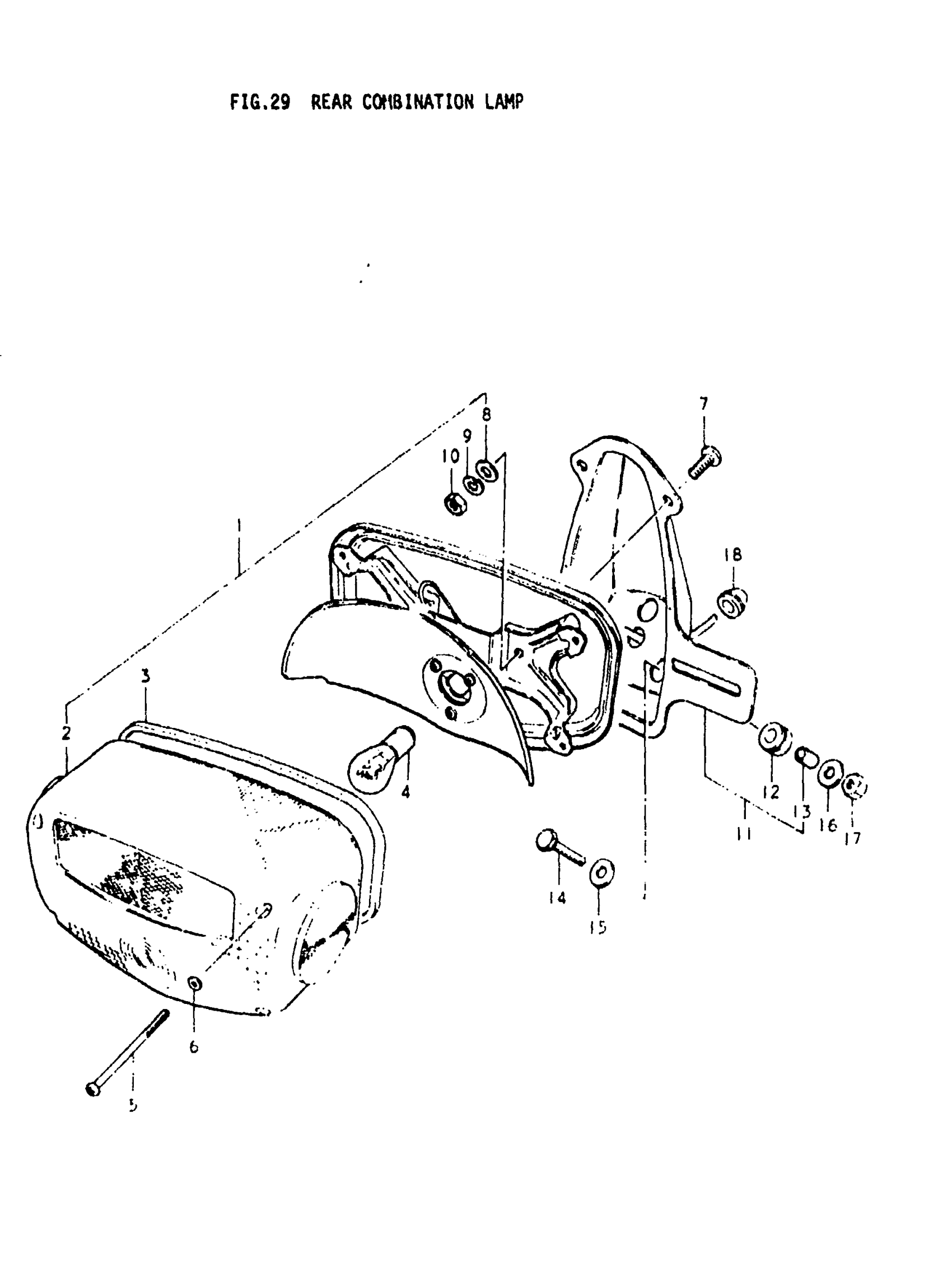
REAR COMBINATION LAMP
Suzuki GS550L (1979) REAR COMBINATION LAMP Diagram
#
Description
Price
1
REAR COMBINATION UNIT ASSY | Includes Item(s) 2 - 10
35720-45210
Unavailable
2
LENS,RR COMBI L This part replaces 35712-45012.
35712-45013
Unavailable
3
GASKET
35713-45010
Unavailable
11
BRACKET UNIT ASSY | Includes Item(s) 12 - 13
35730-45210
Unavailable
13
SPACER This part replaces 35766-22210.
35766-37120
Unavailable
