- Partiron
- OEM Parts
- Suzuki
- Motorcycle
- 1983
- GS550E (1983)
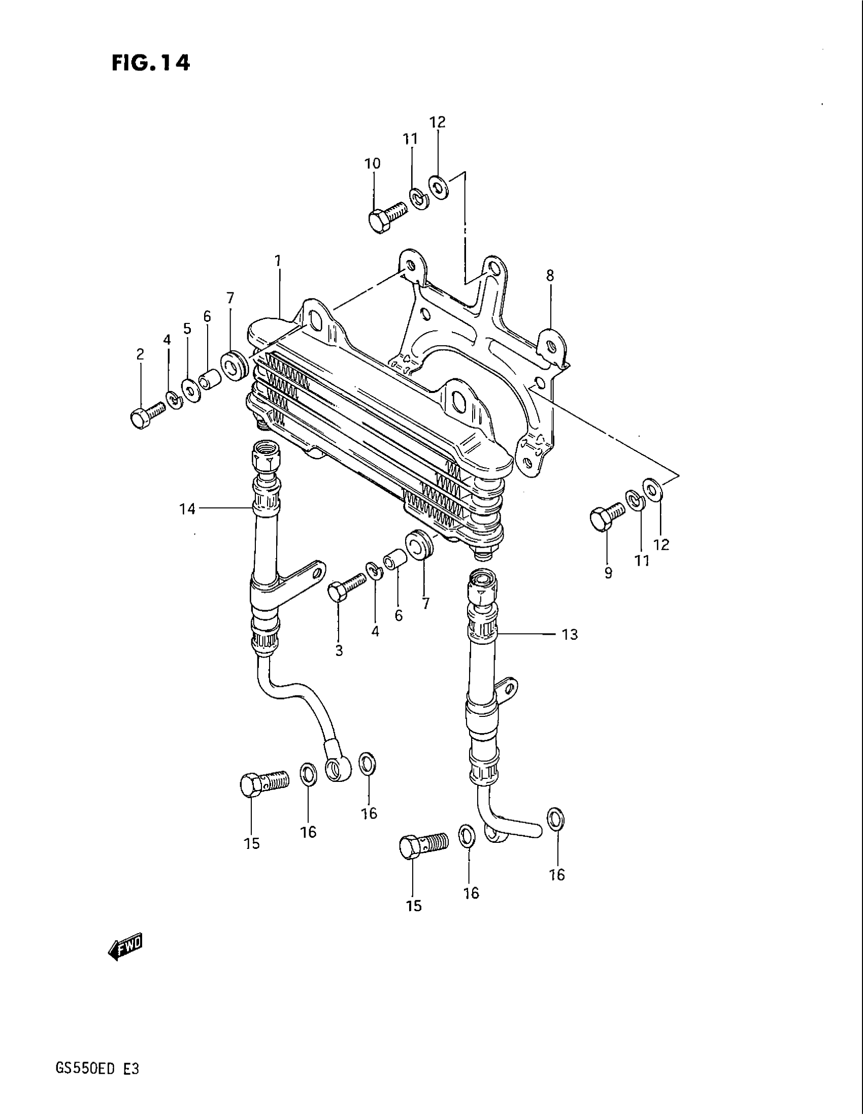
OIL COOLER
Suzuki GS550E (1983) OIL COOLER Diagram
#
Description
Price
1
COOLER ASSY, ENGINE OIL
16600-34310
Unavailable
3
BOLT
09100-06110
Unavailable
8
BRACKET
16620-43400
Unavailable
13
HOSE, OIL COOLER LH
16460-43400
Unavailable
14
HOSE, OIL COOLER RH
16470-43400
Unavailable
15
UNION BOLT, ENGINE SIDE This part replaces 09360-14002.
09360-14005
Unavailable
