- Partiron
- OEM Parts
- Suzuki
- Motorcycle
- 1983
- GS550E (1983)
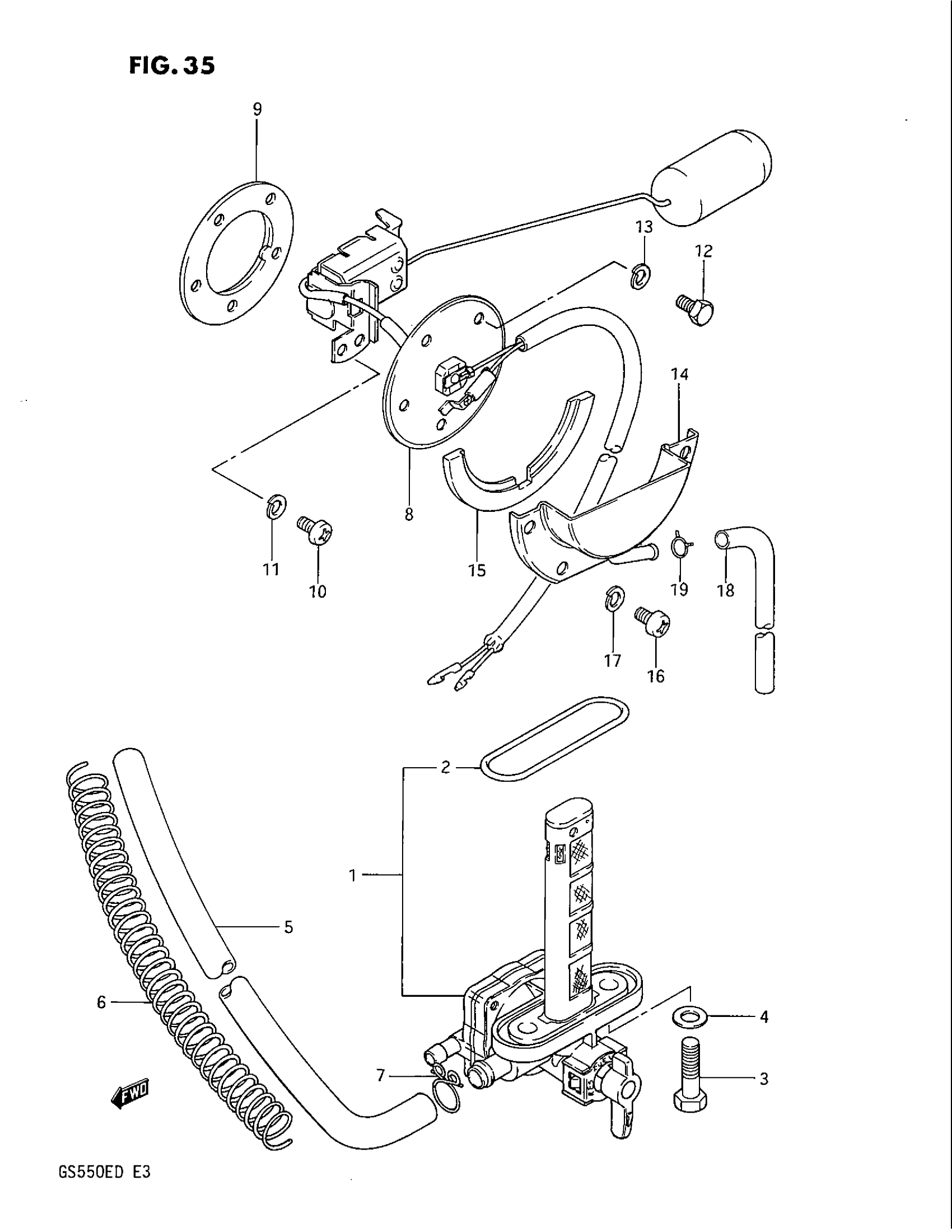
FUEL COCK
Suzuki GS550E (1983) FUEL COCK Diagram
#
Description
Price
1
NO DESCRIPTION AVAILABLE | Includes Item(s) 2 This part replaces 44300-43470.
44300-43473
Unavailable
8
GAUGE ASSY, FUEL LEVEL | Includes Item(s) 9 This part replaces 34810-43400.
34810-43401
Unavailable
14
PLATE, FUEL DRAIN
34885-34500
Unavailable
15
GASKET,FUEL DRA This part replaces 34888-34500.
34888-34501
Unavailable
