- Partiron
- OEM Parts
- Suzuki
- Motorcycle
- 1995
- GS500E (1995)
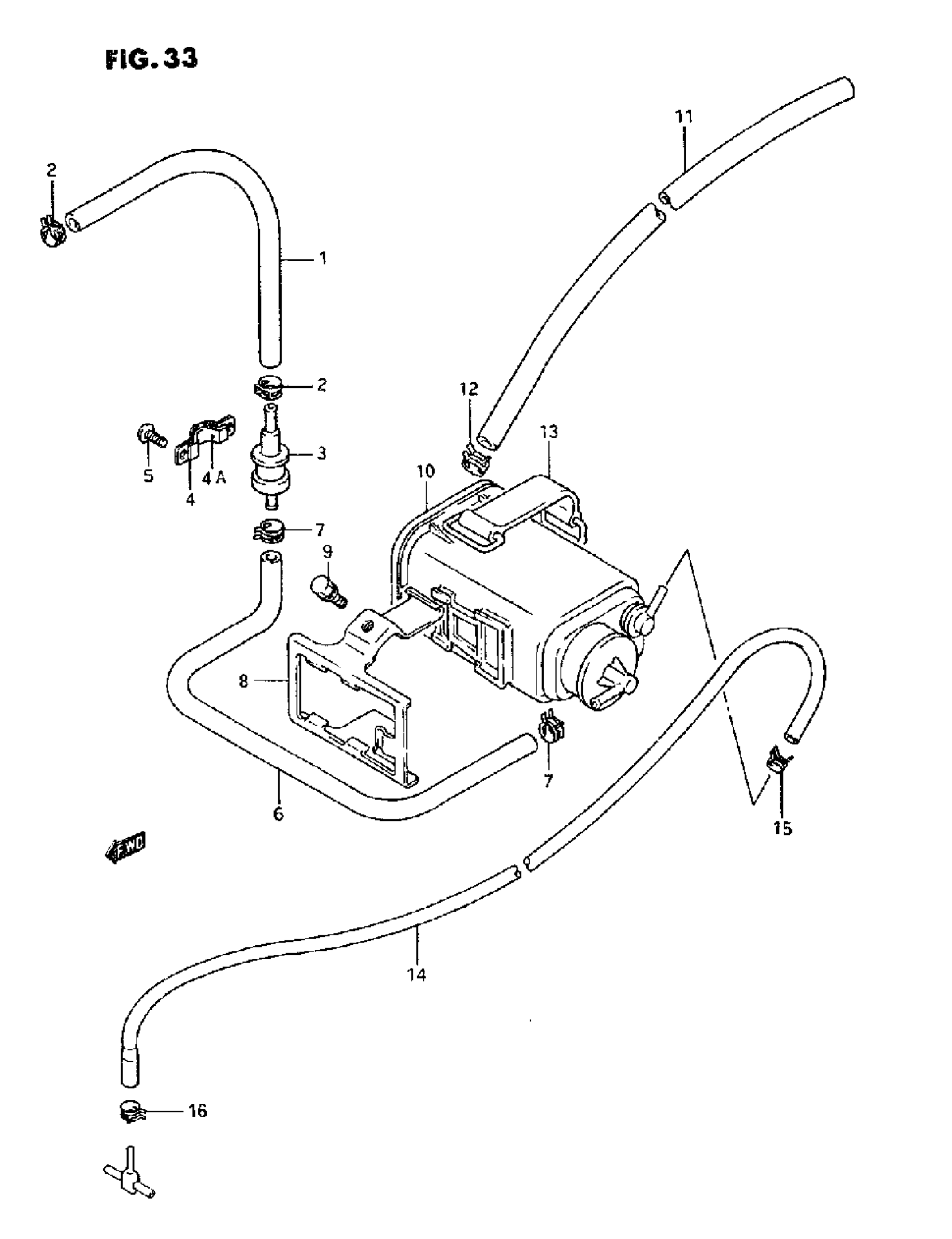
CANISTER (CALIFORNIA ONLY)
Suzuki GS500E (1995) CANISTER (CALIFORNIA ONLY) Diagram
#
Description
Price
1
HOSE, TANK & BREATHER VALVE | L:600->400 This part replaces 09354-54115-600.
09355-54115-600
$14.59
6
HOSE, VALVE TO CANISTER
09343-05503
Unavailable
8
PLATE, CANISTER FITTING
44880-01D00
Unavailable
9
BOLT | MODEL M/N/P This part replaces 01137-06105.
01570-0610A
Unavailable
9
BOLT | MODEL R/S/T This part replaces 01570-06103.
01570-0610A
Unavailable
10
CANISTER
17210-01D00
Unavailable
14
HOSE, CANISTER TO CARBURETOR | L:600->400
09359-35751-600
Unavailable
