Suzuki GS425L (1979) CLUTCH Diagram
#
Description
Price
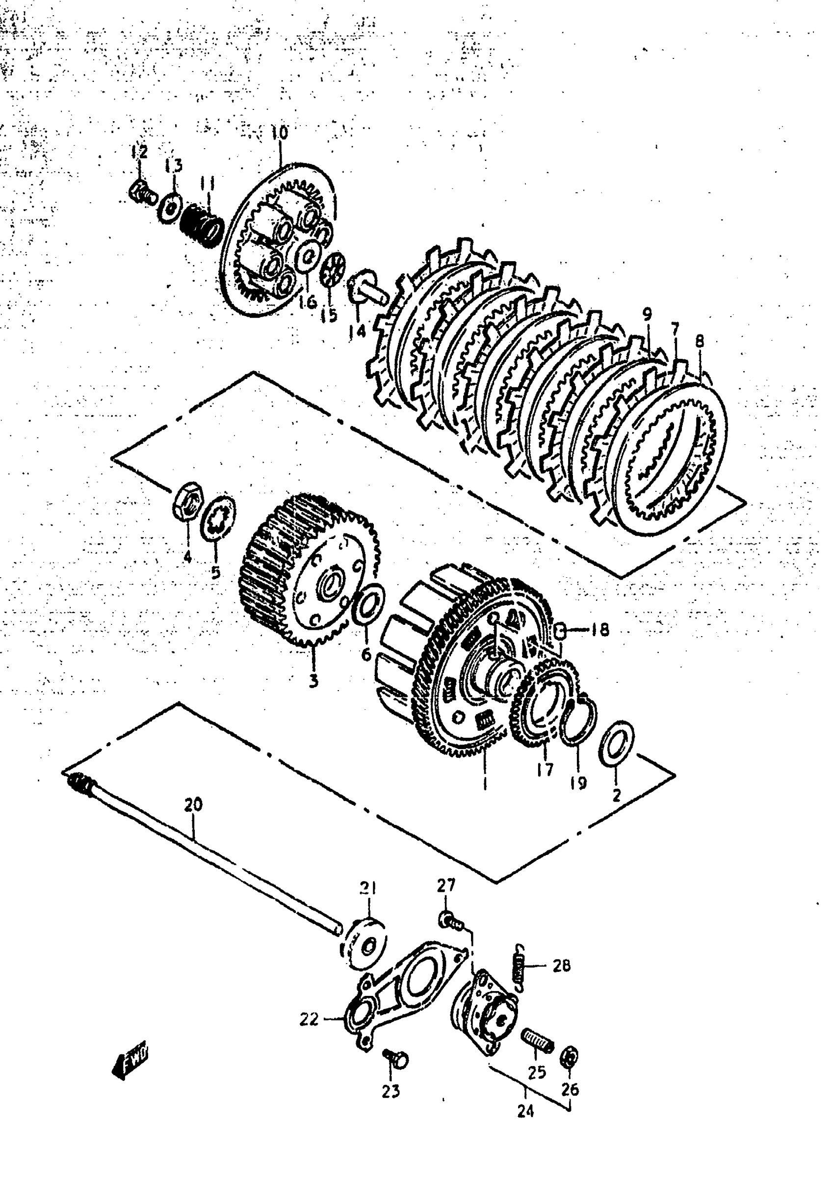
1
GEAR, PRIMARY DRIVEN | NT:76
21200-44000
Unavailable
3
HUB, STEEVE
21411-44001
Unavailable
6
WASHER
09160-20028
Unavailable
17
GEAR, OIL PUMP DRIVE | NT:38
16321-44001
Unavailable
20
ROD, PUSH This part replaces 23110-44003.
23100-44101
Unavailable
22
HOLDER, OIL SEAL
23117-44000
Unavailable
24
NO DESCRIPTION AVAILABLE | Includes Item(s) 25 - 26 This part replaces 23200-44001.
23200-44002
Unavailable
