- Partiron
- OEM Parts
- Suzuki
- Motorcycle
- 1979
- GS425E (1979)
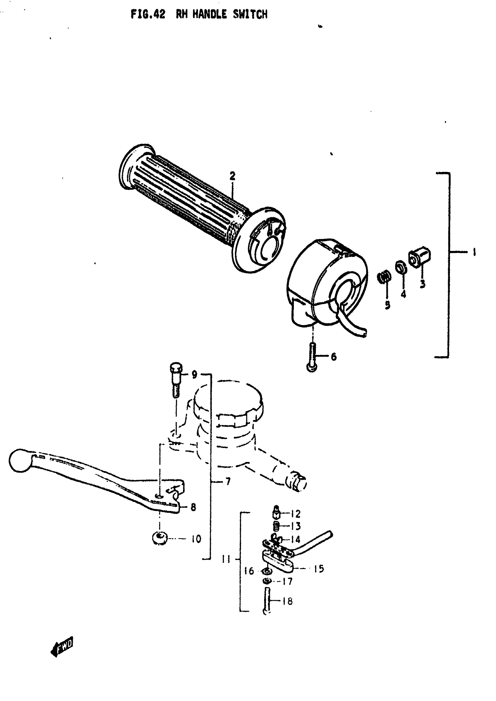
RH HANDLE SWITCH
Suzuki GS425E (1979) RH HANDLE SWITCH Diagram
#
Description
Price
1
CASE ASSY,THROT | N,EN; Includes Item(s) 2 - 6 This part replaces 57100-45010.
57100-45040
Unavailable
2
GRIP, THROTTLE | N,EN This part replaces 57110-44010.
57110-49510
Unavailable
7
LEVER, BRAKE | N,EN; Includes Item(s) 8 - 10 This part replaces 57300-11320.
57420-11300
Unavailable
8
LEVER, BRAKE | N,EN This part replaces 57420-11320.
57420-11300
Unavailable
