- Partiron
- OEM Parts
- Yamaha
- snowmobile
- 1977
- GS340A 1977
SPEEDOMETER UNIT
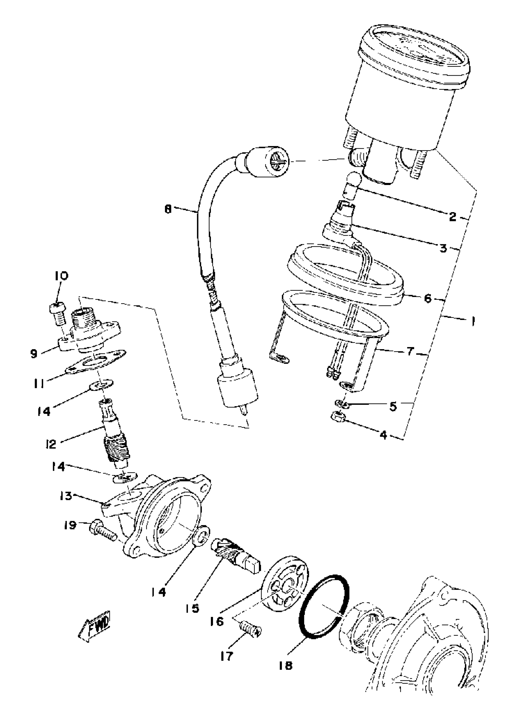
Yamaha GS340A 1977 SPEEDOMETER UNIT Diagram
#
Description
Price
1
SPEEDOMETER ASSEMBLY
861-83510-41-00
Unavailable
3
SOCKET, METER
(861-83536-40-00)
Unavailable
6
. DAMPER
861-83523-40-00
Unavailable
7
. PLATE, FITTING
861-83514-40-00
Unavailable
8
SPEEDOMETER CABLE
839-83550-01-00
Unavailable
9
COVER, METER HOUSING
8E3-47721-10-00
Unavailable
11
GASKET
810-47727-11-00
Unavailable
12
GEAR, DRIVEN (810-47741-10)
810-47741-11-00
Unavailable
13
HOUSING
8E6-47711-10-00
Unavailable
14
SHIM
810-47717-10-00
Unavailable
15
GEAR, DRIVE
810-47731-11-00
Unavailable
16
JOURNAL
853-47712-10-00
Unavailable
17
SCREW, FLAT
98707-04012-00
Unavailable
18
O-RING
93210-43141-00
Unavailable
19
BOLT, HEXAGON DEEP RECESS
97D95-06016-00
Unavailable
