- Partiron
- OEM Parts
- Suzuki
- Motorcycle
- 1985
- GS300L (1985)
ELECTRICAL
Suzuki GS300L (1985) ELECTRICAL Diagram
#
Description
Price
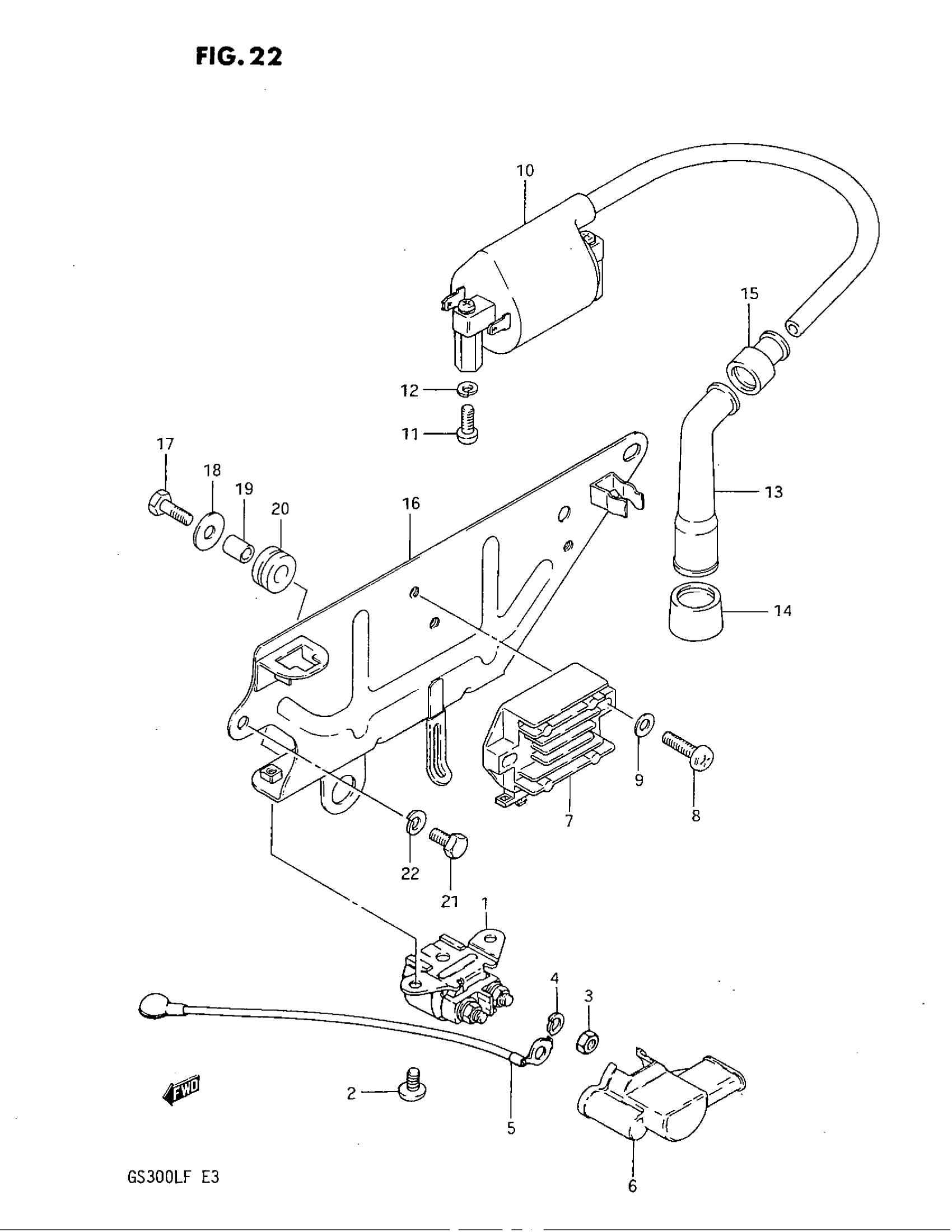
5
LEAD WIRE, STARTING MOTOR This part replaces 33850-44520.
33850-06B00
Unavailable
7
RECTIFIER ASSY This part replaces 32800-44230.
32800-33401
Unavailable
16
PLATE, PARTS HOLDER This part replaces 47410-44502.
47410-44503
Unavailable
