- Partiron
- OEM Parts
- Yamaha
- snowmobile
- 1977
- GS300A 1977
STARTER
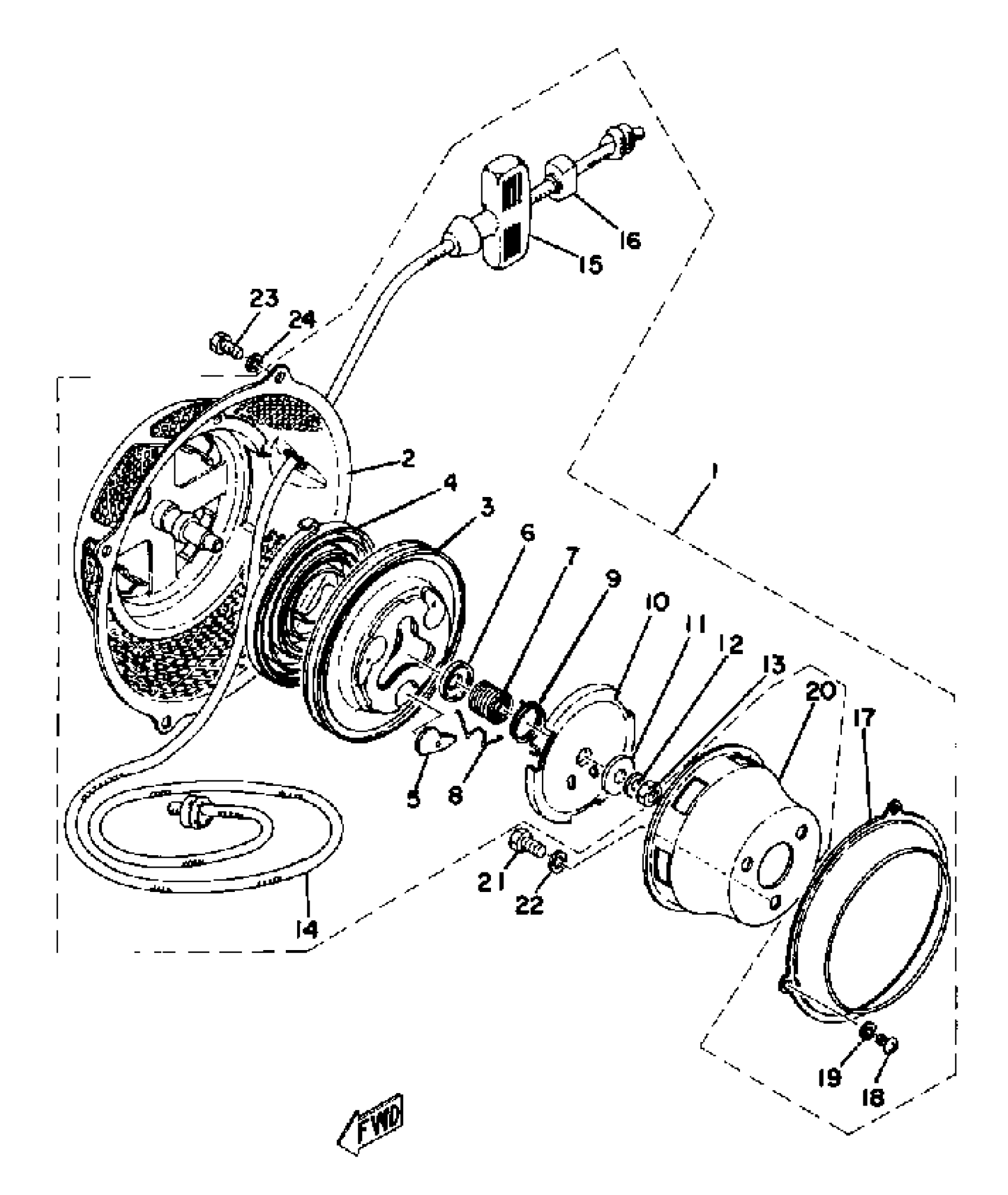
Yamaha GS300A 1977 STARTER Diagram
#
Description
Price
1
STARTER ASSEMBLY
(860-15710-00-00)
Unavailable
2
CASE, STARTER
(860-15711-00-00)
Unavailable
3
. DRUM, SHEAVE
812-15714-00-00
Unavailable
4
. SPRING, STARTER
802-15713-00-00
Unavailable
5
. PAWL, DRIVE
812-15741-00-00
Unavailable
6
. WASHER, THRUST (802-15719-00)
626-15719-00-00
Unavailable
7
SPRING,DRIVE PLATE
626-15715-01-00
Unavailable
8
SPRING,RETURN
812-15784-00-00
Unavailable
9
. SPRING, RETURN
811-15734-00-00
Unavailable
10
. PLATE, DRIVE
812-15716-00-00
Unavailable
11
WASHER,FLAT
807-15726-01-00
Unavailable
13
. NUT
95380-08700-00
Unavailable
14
. ROPE, STARTER
812-15751-00-00
Unavailable
15
. HANDLE, STARTER
807-15755-00-00
Unavailable
16
. CONNECTOR 1
619-15756-00-00
Unavailable
17
COVER, SHEAVE
(812-15782-00-00)
Unavailable
18
SCREW,PANHEAD (EG9)
98580-05006-00
Unavailable
19
YBS67-5 WASHER, SPRING
92990-05100-00
Unavailable
20
PULLEY, STARTER
(812-15723-00-00)
Unavailable
21
BOLT, HEXAGON
97013-08016-00
Unavailable
23
BOLT, HEXAGON
97017-06016-00
Unavailable
24
WASHER, SPRING
92907-06100-00
Unavailable
