- Partiron
- OEM Parts
- Yamaha
- snowmobile
- 1977
- GS300A 1977
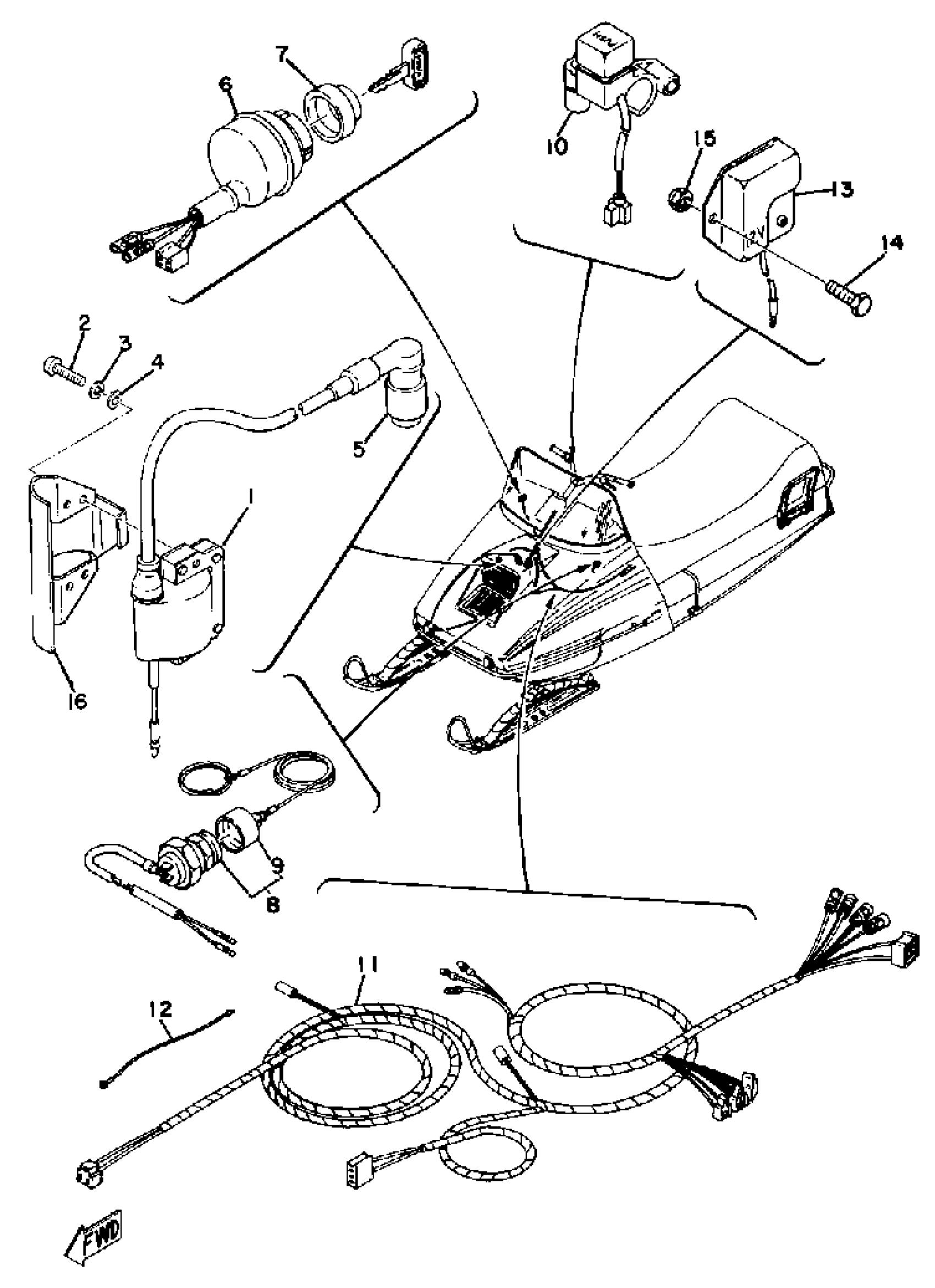
ELECTRICAL
Yamaha GS300A 1977 ELECTRICAL Diagram
#
Description
Price
1
IGNITION COIL ASSY
355-82310-40-00
Unavailable
5
PLUG CAP ASSEMBLY
899-82370-20-00
Unavailable
6
MAIN SWITCH ASSEMBLY
898-82508-20-00
Unavailable
7
COLLAR, MAIN SWITCH
806-82516-00-00
Unavailable
8
STOP SWITCH ASSEMBLY
8J7-82550-01-00
Unavailable
11
WIRE HARNESS ASSEMBLY
(8E6-82590-20-00)
Unavailable
12
WIRE, EARTH LEAD
(838-82519-00-00)
Unavailable
16
COVER, IGNITN COIL
(8G2-82314-00-00)
Unavailable
