- Partiron
- OEM Parts
- Suzuki
- Motorcycle
- 1984
- GS1150 (1984)
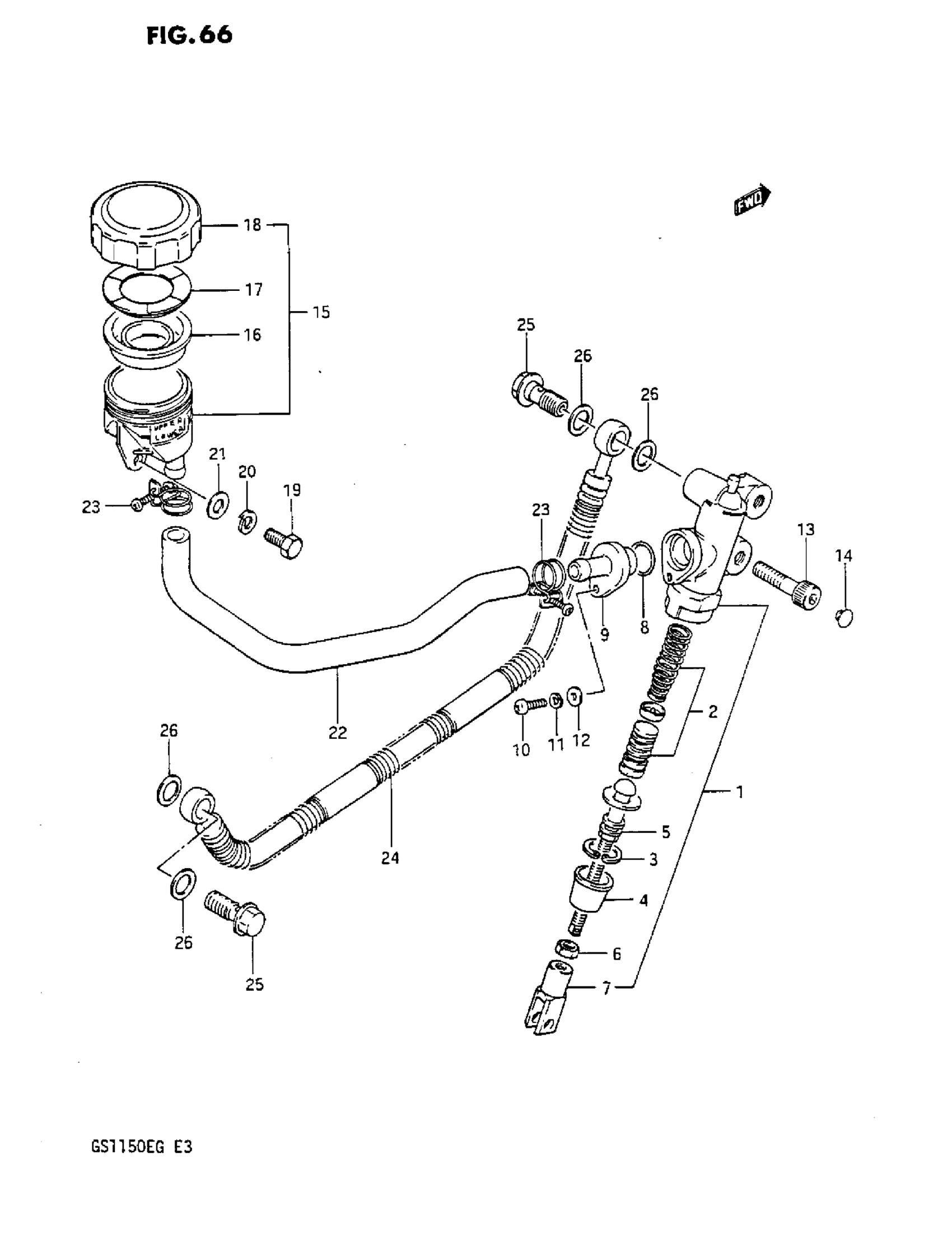
REAR MASTER CYLINDER
Suzuki GS1150 (1984) REAR MASTER CYLINDER Diagram
#
Description
Price
1
NO DESCRIPTION AVAILABLE This part replaces 69600-00A00.
69600-00A01
Unavailable
5
ROD, PUSH
69670-00A00
Unavailable
7
YOKE
69692-34300
Unavailable
9
CONNECTOR
69672-00A00
Unavailable
15
TANK ASSY,RR RS This part replaces 69740-34250.
69740-31D00
Unavailable
18
CAP
59669-39110
Unavailable
22
HOSE
69731-00A00
Unavailable
24
HOSE, REAR BRAKE
69480-00A01
Unavailable
