- Partiron
- OEM Parts
- Suzuki
- Motorcycle
- 1983
- GS1100G (1983)
ELECTRICAL (MODEL D)
Suzuki GS1100G (1983) ELECTRICAL (MODEL D) Diagram
#
Description
Price
5
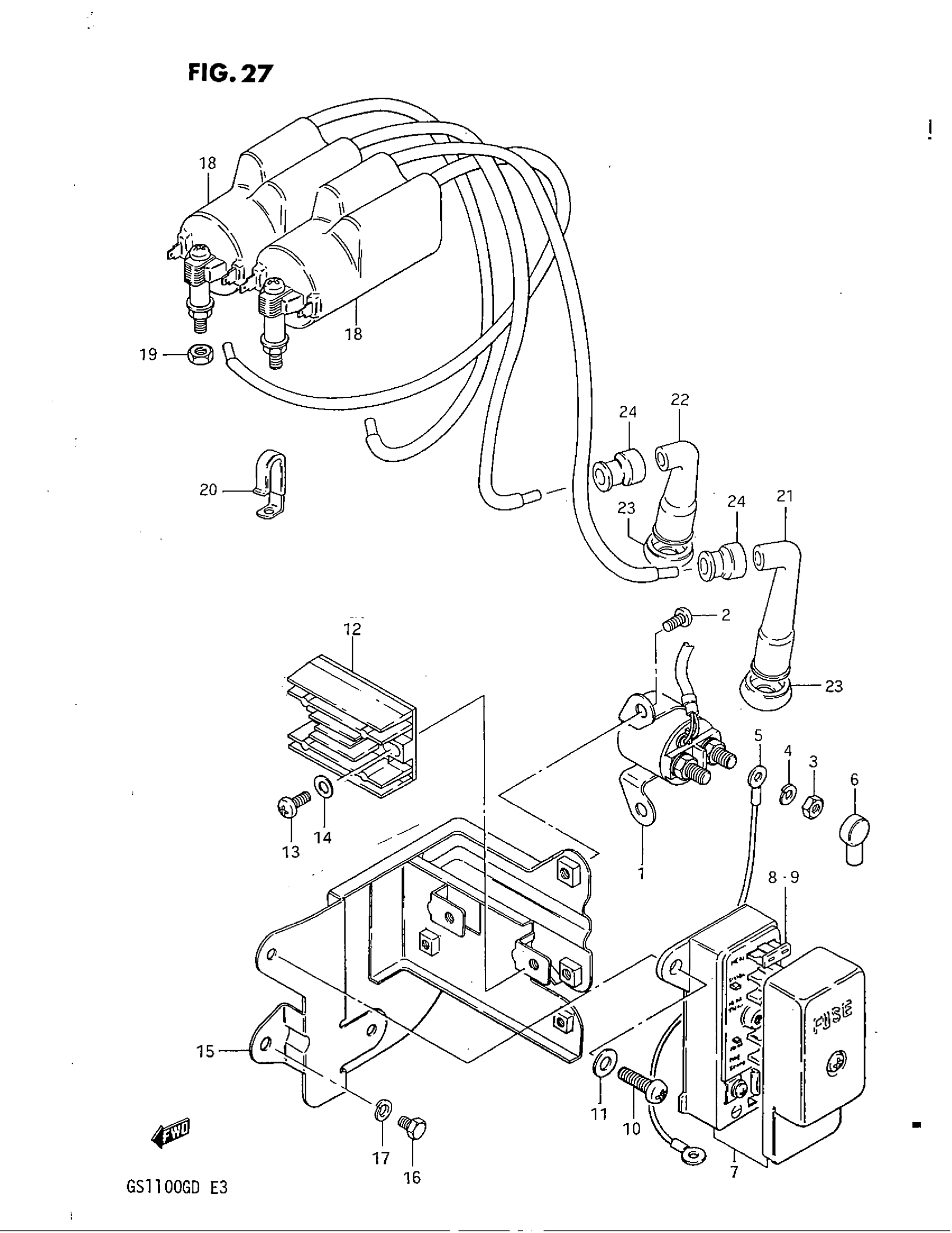
WIRE, STARTING LEAD This part replaces 33850-49410.
33850-00A01
Unavailable
6
CAP, TERMINAL | HAVE SLIT
31861-49400
Unavailable
7
BOX ASSY,FUSE | Includes Item(s) 8 - 9 This part replaces 36740-49400.
36740-45D00
Unavailable
12
RECTIFIER ASSY This part replaces 32800-09300.
32800-09301
Unavailable
15
PLATE, PARTS HOLDER
47410-45120
Unavailable
