Suzuki GS1100-LT (1980) FRAME Diagram
#
Description
Price
1
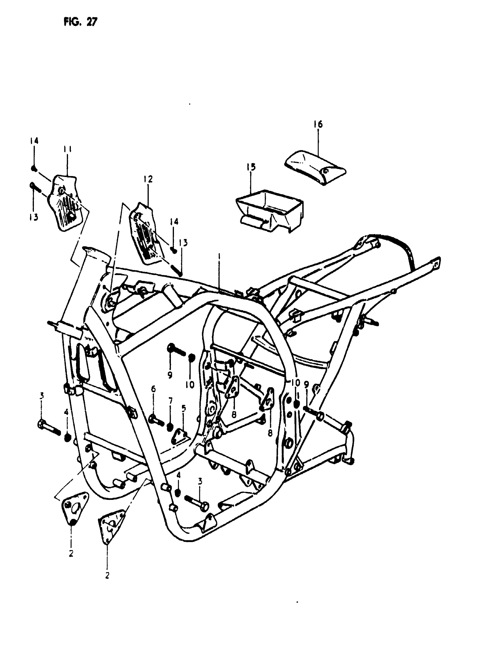
FRAME
41100-49150-019
Unavailable
2
PLATE, MOUNTING NO. 1 RH
41910-49200-019
Unavailable
5
PLATE, NO.2 (SILVER) This part replaces 41921-49000-019.
41921-49000-13L
Unavailable
8
PLATE, NO.3 (SILVER) This part replaces 41940-49000-019.
41940-49000-13L
Unavailable
11
COVER, FRAME HEAD RH
51876-49100
Unavailable
12
COVER, FRAME HEAD LH
51886-49100
Unavailable
13
NO DESCRIPTION AVAILABLE This part replaces 02142-05505.
02142-05503
Unavailable
15
HOLDER, TOOL
41551-49101
Unavailable
16
TOOL ASSY This part replaces 09800-00215.
09800-21068
Unavailable
