- Partiron
- OEM Parts
- Suzuki
- Motorcycle
- 1979
- GS1000S (1979)
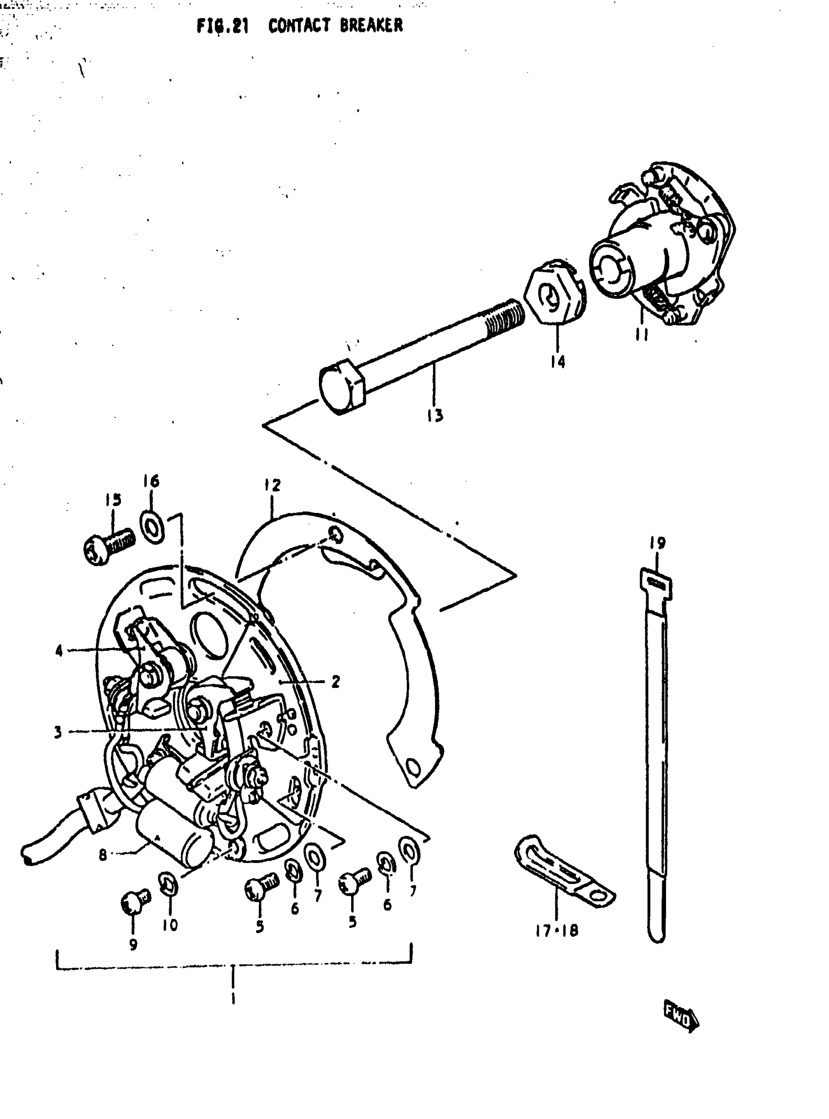
CONTACT BREAKER
Suzuki GS1000S (1979) CONTACT BREAKER Diagram
#
Description
Price
1
NO DESCRIPTION AVAILABLE | ND; Includes Item(s) 2 - 10 This part replaces 33110-45010.
33110-45X00
Unavailable
2
PLATE, PAINT SHIFTING
33143-45010
Unavailable
3
POINT ASSY, CONTACT RH
33172-36210
Unavailable
4
POINT ASSY, CONTACT LH
31440-36210
Unavailable
5
SCREW
09125-04001
Unavailable
8
CONDENSER This part replaces 32341-31010.
33261-33010
Unavailable
11
GOVERNOR ASSY, ADVANCE | ND
33120-45011
Unavailable
12
PLATE, TIMING
33371-45001
Unavailable
14
WASHER
33465-47000
Unavailable
