- Partiron
- OEM Parts
- Suzuki
- Motorcycle
- 1979
- GS1000L (1979)
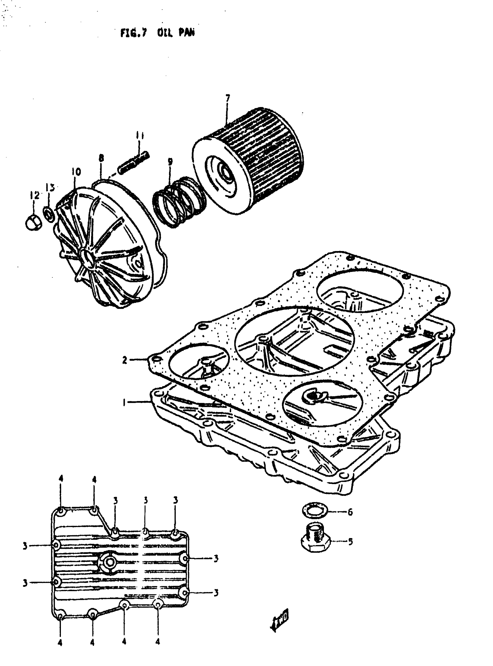
OIL PAN
Suzuki GS1000L (1979) OIL PAN Diagram
#
Description
Price
1
PAN, OLL
11511-45000
Unavailable
2
GASKET,OIL PAN( This part replaces 11489-45001.
11489-45001-H17
Unavailable
10
CAP, ENGINE OIL FILTER This part replaces 16512-45100.
16512-45101
Unavailable
