- Partiron
- OEM Parts
- Suzuki
- Motorcycle
- 1979
- GS1000L (1979)
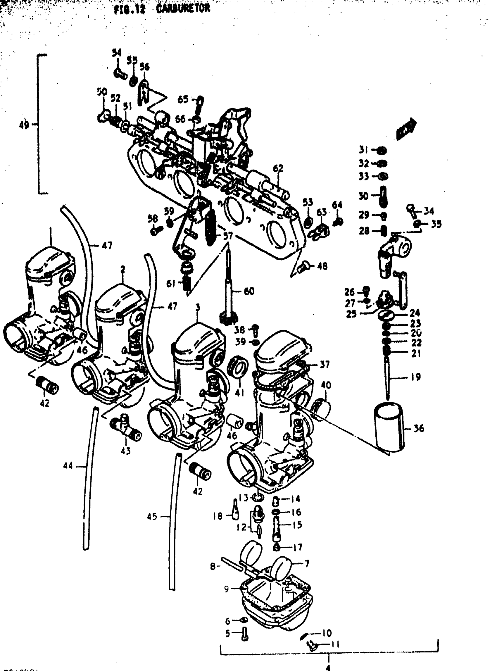
CARBURETOR
Suzuki GS1000L (1979) CARBURETOR Diagram
#
Description
Price
0
CARBURETOR ASSY | Includes Item(s) 1 - 66
13200-49050
Unavailable
1
CARBURETOR ASSY, NO.1 | LH
13201-49050
Unavailable
2
CARBURETOR ASSY, NO.2 | CENTER LH
13202-49050
Unavailable
3
CARBURETOR ASSY, NO.3 | CENTER RH
13203-49050
Unavailable
4
CARBURETOR ASSY, NO.4 | RH
13204-49050
Unavailable
7
FLOAT
13252-43010
Unavailable
9
GASKET This part replaces 13251-43011.
13251-43010
Unavailable
11
SCREW
13247-45010
Unavailable
14
JET, NEEDLE | 0-2
09494-00224
Unavailable
15
PIPE, BREADER
13385-45010
Unavailable
19
NEEDLE, JET | 5DL36-3
13383-45030
Unavailable
24
PLATE
13581-47010
Unavailable
25
BRACKET
13398-49030
Unavailable
28
SPRING
13543-45010
Unavailable
29
PIN
13544-43010
Unavailable
30
ADJUSTER
13548-45010
Unavailable
36
VALVE, THROTTLE | CA:1.5
13551-45030
Unavailable
40
CAP
13678-43010
Unavailable
41
SEAL
13556-45010
Unavailable
42
NIPPLE
13685-45030
Unavailable
43
NIPPLE
13685-45040
Unavailable
49
CONTROL ASSY
13210-49050
Unavailable
50
SHAFT, STARTER
13410-49020
Unavailable
51
WASHER
13432-49020
Unavailable
52
SPRING
13437-49020
Unavailable
56
PLATE
13557-33110
Unavailable
57
SPRING, THROTTLE RETURN
13573-45010
Unavailable
60
ADJUSTER, THROTTLE STOP
13267-49000
Unavailable
61
SPRING
13268-33110
Unavailable
62
SHAFT, THROTTLE
13550-43010
Unavailable
63
LEVER, STARTER
13422-45030
Unavailable
