Partiron

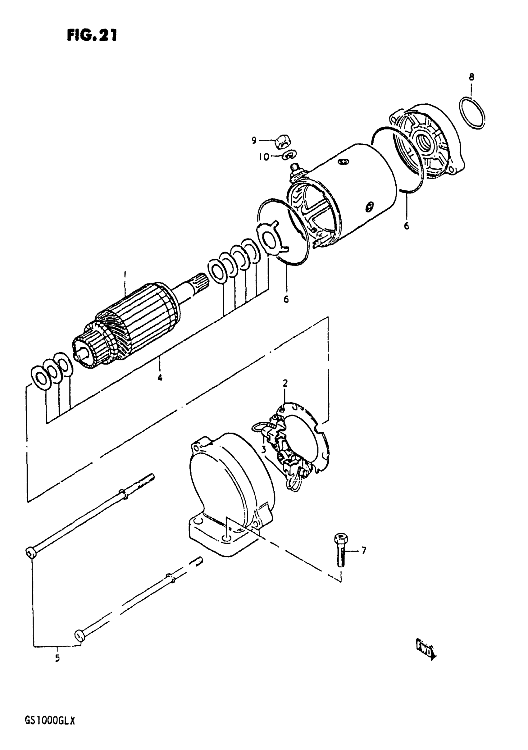
Suzuki GS1000GL (1981) STARTING MOTOR Diagram

#

Description
Price

0

MOTOR ASSY, STARTING | MITSUBA; Includes Item(s) 1 - 6 This part replaces 31100-45040.

31100-49050

Unavailable

1

ARMATURE

31311-31040

Unavailable

2

HOLDER, BRUSH

31173-31040

Unavailable

3

BRUSH SET (2PCS/SET)

31131-31040

Unavailable

4

SHIM SET

31361-31040

Unavailable

5

BOLT This part replaces 31281-31040.

31280-26D00

$20.45

6

O RING

31264-31040

Unavailable

7

BOLT, STARTING MOTOR This part replaces 09128-06024.

09103-06212

$2.47

8

.O-RING (D:3,ID:24.5) This part replaces 09280-24001.

09280-24003

$1.55

9

.NUT This part replaces 08310-22068.

08310-00067

$2.13

10

LOCK WASHER This part replaces 08321-21068.

08321-01067

$2.13