- Partiron
- OEM Parts
- Suzuki
- Motorcycle
- 1981
- GS1000G (1981)
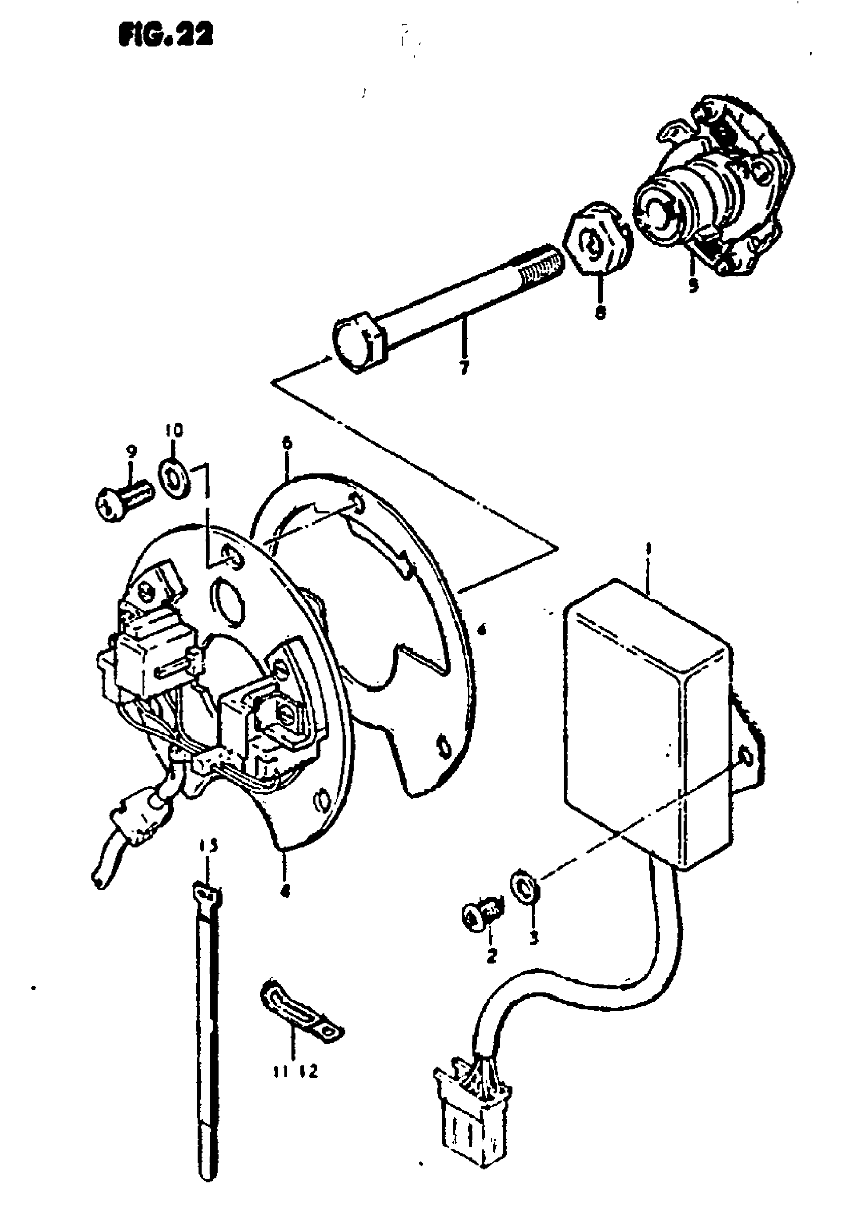
SIGNAL GENERATOR
Suzuki GS1000G (1981) SIGNAL GENERATOR Diagram
#
Description
Price
1
UNIT, IGNITER This part replaces 32900-45110.
32900-45120
Unavailable
4
GENERATOR ASSY This part replaces 33110-45110.
33110-45410
Unavailable
5
GOVERNOR ASSY, ADVANCE
33120-45110
Unavailable
6
PLATE, TIMING
33371-45100
Unavailable
8
WASHER
33465-47000
Unavailable
