- Partiron
- OEM Parts
- Suzuki
- Motorcycle
- 1981
- GS1000G (1981)
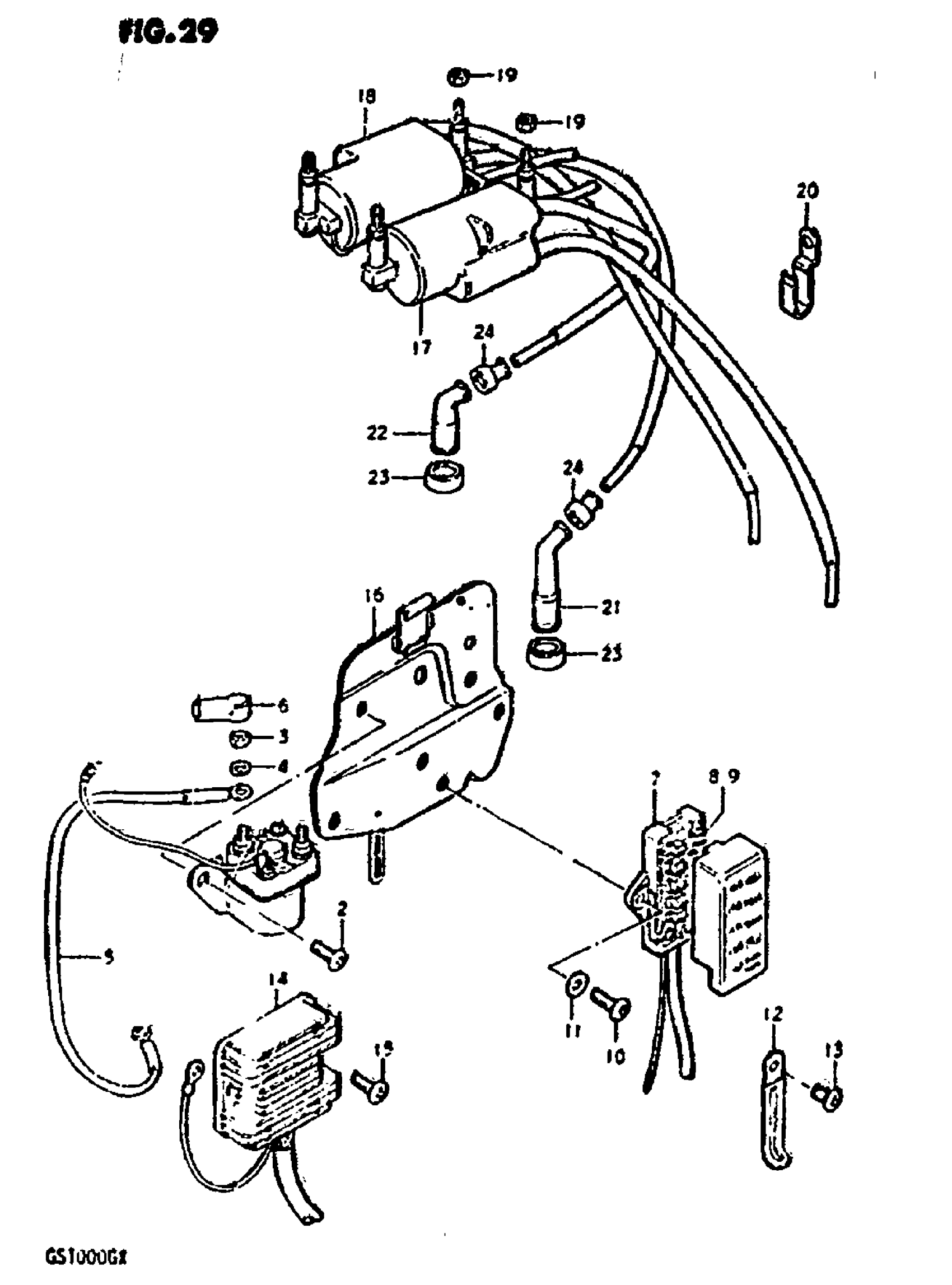
ELECTRICAL
Suzuki GS1000G (1981) ELECTRICAL Diagram
#
Description
Price
5
WIRE, STARTING LEAD This part replaces 33850-10300.
33850-00A01
Unavailable
7
FUSE BOX ASSY | Includes Item(s) 8 - 9 This part replaces 36740-49200.
36740-49X02
Unavailable
14
RECTIFIER ASSY | MODEL T This part replaces 32800-45240.
32800-47121
Unavailable
14
RECTIFIER ASSY | MODEL X This part replaces 32800-49140.
32800-49X50
Unavailable
16
PLATE, ELECTRIC PARTS HOLDER
47410-45101
Unavailable
17
COIL ASSY,IGNIT This part replaces 33410-45110.
33410-45112
Unavailable
18
COIL ASSY,IGNIT This part replaces 33420-45110.
33410-45112
Unavailable
