- Partiron
- OEM Parts
- Suzuki
- Motorcycle
- 1979
- GS1000C (1979)
ELECTRICAL
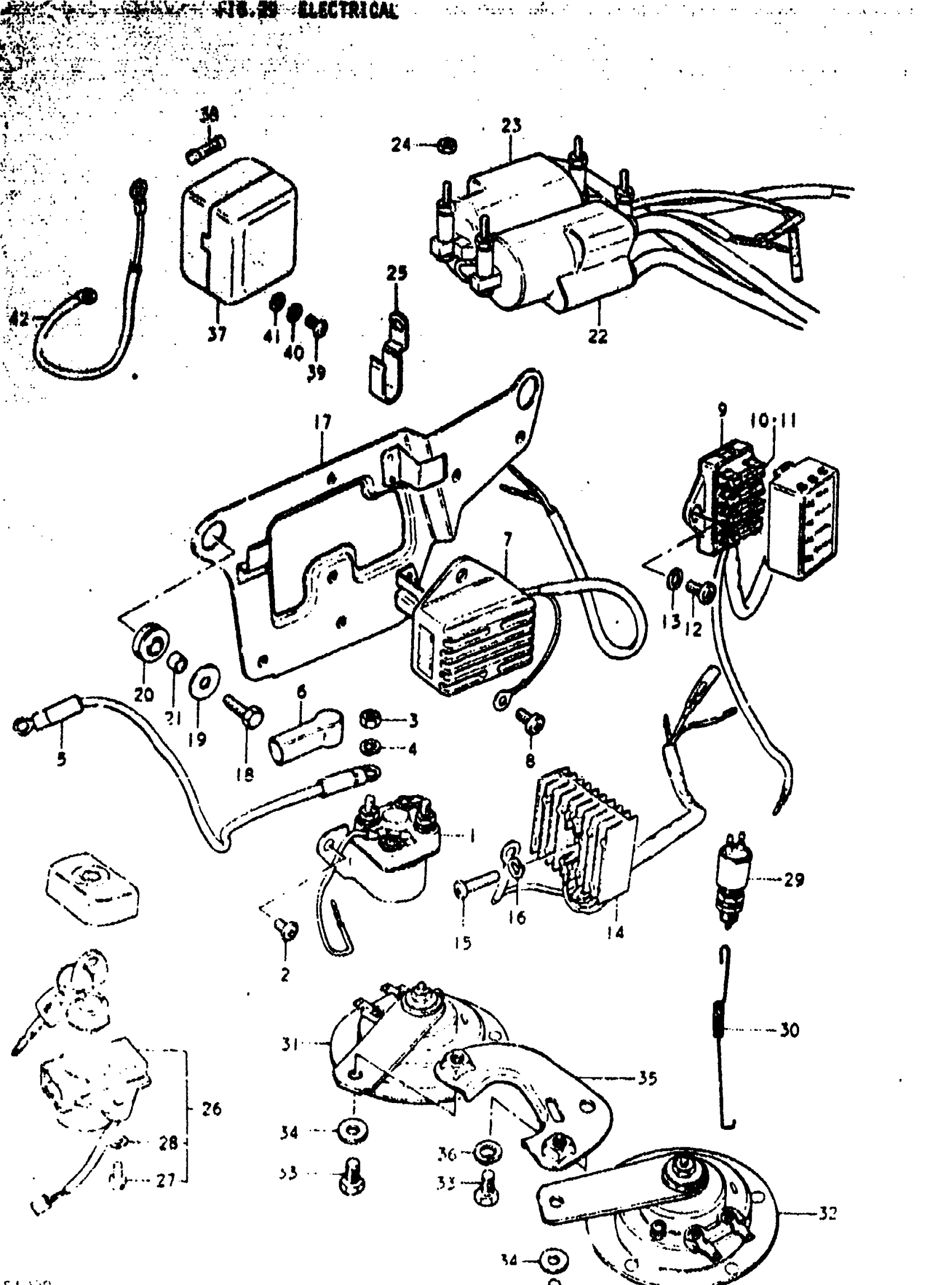
Suzuki GS1000C (1979) ELECTRICAL Diagram
#
Description
Price
7
REGURATOR, VOLTAGE | C&EC,N&EN; ND
32500-49010
Unavailable
9
FUSE BOX ASSY | C&EC,N&EN; Includes Item(s) 10 - 11 This part replaces 36740-49000.
36740-49X00
Unavailable
14
RECTIFIER | C&EC,N&EN This part replaces 32800-49030.
32800-44010
Unavailable
17
PLATE, ELECTRIC PARTS HOLDER | C&EC This part replaces 47410-49000.
47410-49002
Unavailable
17
PLATE, ELECTRIC PARTS HOLDER | N&EN
47410-49002
Unavailable
22
COIL ASSY,IGNIT | C&EC,N&EN This part replaces 33410-45010.
33410-45012
Unavailable
23
COIL ASSY,IGNIT | C&EC,N&EN This part replaces 33420-45010.
33410-45012
Unavailable
26
NO DESCRIPTION AVAILABLE | C&EC,N&EN; Includes Item(s) 27 - 28 This part replaces 37100-49010.
37100-49012
Unavailable
30
SPRING | C&EC,N&EN This part replaces 09443-06018.
09443-06018-XC0
Unavailable
31
HORN ASSY | C&EC,N&EN; LOW PITCHED This part replaces 38500-64130.
38502-49001
Unavailable
32
NO DESCRIPTION AVAILABLE | C&EC,N&EN; HIGH PITCHED This part replaces 38501-49000.
38501-47001
Unavailable
33
BOLT | C&EC,N&EN; 8x14
09107-08218
Unavailable
35
BRACKET, HORN | C&EC This part replaces 38590-49000.
38590-49002
Unavailable
35
BRACKET, HORN | N&EN
38590-49002
Unavailable
37
TERMINAL, POWER SOURCE | N&EN; Includes Item(s) 38
38850-47000
Unavailable
42
LEAD WIRE | N&EN
36851-47000
Unavailable
43
COVER | C&EC,N&EN This part replaces 37155-49010.
37155-49011
Unavailable
