Grand Touring 380 F/500 F, 2002
01- Cooling System And Fan
01- Crankcase (377)
01- Crankcase (503)
01- Crankshaft And Pistons
01- Cylinder, Intake Exhaust Manifold
01- Engine Support And Muffler
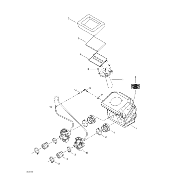
02- Air Intake System
02- Carburetors (377)
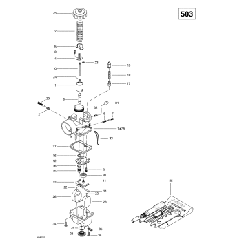
02- Carburetors (503)
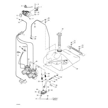
02- Fuel System
02- Oil Injection System
02- Oil Tank And Support
03- Magneto
04- Electric Starter
04- Rewind Starter
05- Chaincase
05- Drive Axle And Track
05- Drive Pulley (377)
05- Drive Pulley (503)
05- Driven Pulley
06- Hydraulic Brake And Belt Guard
06- Mechanic Brake And Belt Guard
07- Front Suspension And Ski
07- Steering System
08- Front Arm
08- Rear Arm
08- Rear Suspension
09- Bottom Pan
09- Cab, Console
09- Cargo
09- Decals
09- Frame And Accessories
09- Seat And Accessories
10- Battery And Starter
10- Electrical System
Fuel Your Passion
Parts That Keep You Riding
Edit ride