- Partiron
- OEM Parts
- Ski-Doo
- 2001
- Grand Touring
- Grand Touring 800 SE, 2001
Drive Axle And Track
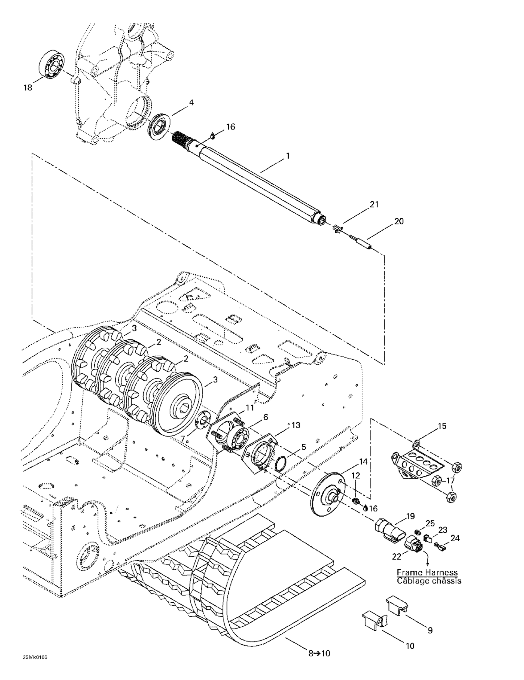
Ski-Doo Grand Touring 800 SE, 2001 Drive Axle And Track Diagram
#
Description
Price
1
Drive Axle
501026500
Unavailable
2
9-Tooth Sprocket
504151900
Unavailable
3
9-Tooth Half Sprocket
504151901
Unavailable
4
OIL SEAL - Call your local BRP dealership
504151925
Unavailable
7
BEARING PROTECTOR - Call your local BRP dealership
501017400
Unavailable
8
Track 15" X 136" X 0.88" Ass'y | Includes 7 to 9, North America This part replaces 504152489.
504152455
$799.99
11
BEARING HOUSING - Call your local BRP dealership
504151860
Unavailable
13
FLANGE - Call your local BRP dealership
501025000
Unavailable
14
Flange, Speedo Drive Insert
504151836
Unavailable
15
CABLE PROTECTOR - Call your local BRP dealership
517290100
Unavailable
16
SYNTHETIC GREASE, 400 G - Call your local BRP dealership
219700417
Unavailable
18
Ball Bearing 6206
504152010
Unavailable
19
Speed Sensor
415049800
Unavailable
20
Key
572098200
Unavailable
21
SPEEDO DRIVE INSERT - Call your local BRP dealership
572010100
Unavailable
22
Connector (3 Circuits)
409004900
Unavailable
23
Female Terminal
409005300
Unavailable
24
FEMALE TERMINAL - Call your local BRP dealership
409004800
Unavailable
25
Wire Seal
409005400
Unavailable
