- Partiron
- OEM Parts
- Ski-Doo
- 1999
- Grand Touring
- Grand Touring 500/583, 1999
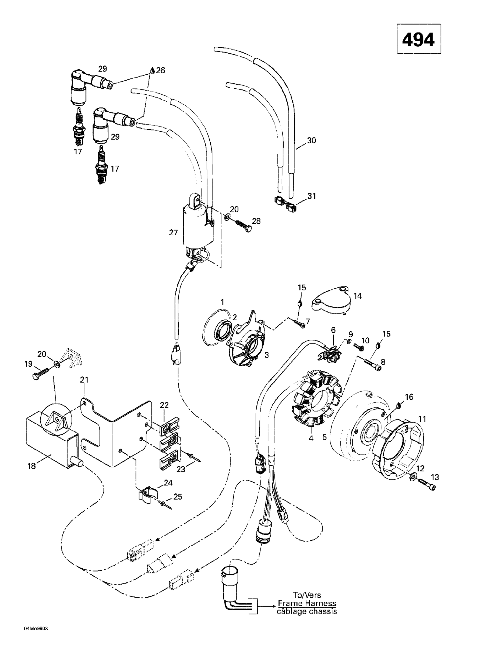
Magneto 12V 220W (494)
Ski-Doo Grand Touring 500/583, 1999 Magneto 12V 220W (494) Diagram
#
Description
Price
1
O-RING - Call your local BRP dealership
420850430
Unavailable
2
SEAL-OIL - Call your local BRP dealership
420930695
Unavailable
3
Armature Plate
420810265
Unavailable
4
Magneto Ass'y 12V 220W | Includes 4 - 6. Formula Deluxe 500 LC. Formula Deluxe 670.
410922904
Unavailable
4
Stator Plate Ass'y | Includes 4 - 7.
410922905
Unavailable
5
Magneto Flywheel
410922906
Unavailable
6
Pick Up Ass'y
420965642
Unavailable
7
SCREW-ALLEN M5X20 DIN.6912 - Call your local BRP dealership
420941540
Unavailable
8
SOCKET HEAD SCREW M6 X 30 - Call your local BRP dealership This part replaces 420840886.
420840887
Unavailable
9
WASHER - Call your local BRP dealership
420827800
Unavailable
14
Pick-Up Cover
420810700
Unavailable
18
Ignition Module | Includes 36 - 47.
512058927
Unavailable
21
Cable Support
515175107
Unavailable
23
Not Available As Spare Part - Friction Washer
Unavailable
24
Clip
415089700
Unavailable
25
RIVET_POP 1/8 - Call your local BRP dealership
390402500
Unavailable
27
IGNITION COIL - Call your local BRP dealership | Includes 14 - 19.
415085400
Unavailable
30
SPARK PLUG WIRE - Call your local BRP dealership This part replaces 278001268.
278002198
Unavailable
