Partiron

Kawasaki GPz FRAME Diagram

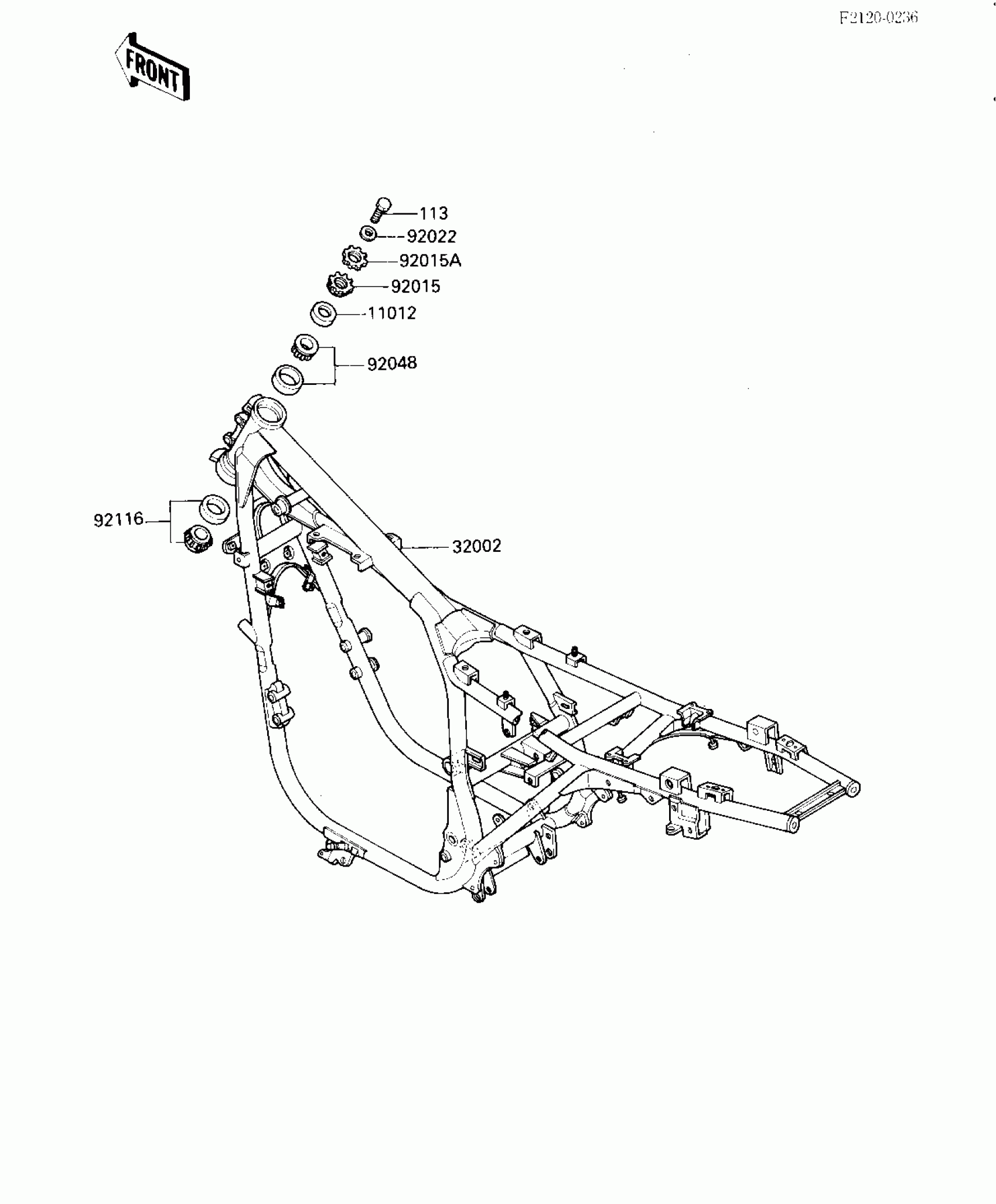
#

Description
Price

11012

CAP,STEERING STEM

46098-017

$6.16

32002A

FRAME-COMP,US

32002-1445

$1,275.57

92015

NUT,25MM,T=10

92015-1128

$33.11

92015A

NUT,25MM,T=6

92015-1129

$20.96

92022

WASHER

92022-1229

$11.50

92048

RACE,ROLLER,32005JR RS

92047-017

$43.75

92116

BEARING-ROLLER,HR320/28XJ

92116-1009

$36.32

113

BOLT-SMALL-FINE,14X25

113G1425

Unavailable