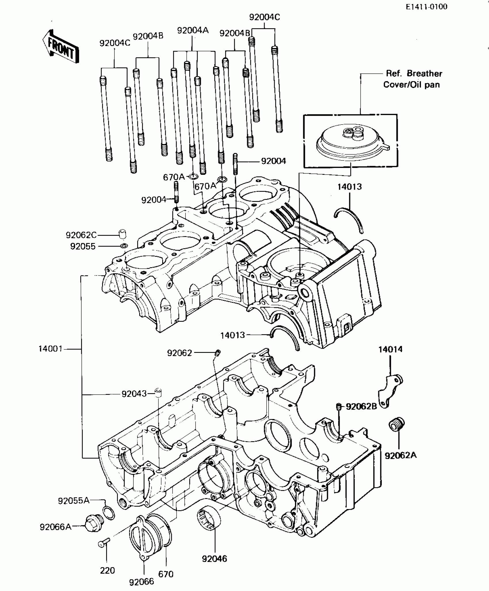
Kawasaki GPz CRANKCASE Diagram
#
Description
Price
14001B
SET-CRANKCASE,F.BLACK
14001-5112
Unavailable
14013C
RING-POSITION
14013-1006
Unavailable
92001B
BOLT,HEX HEAD,8X72
92003-107
Unavailable
92066A
PLUG,14X12,F.BLACK
92066-1098
Unavailable
130
UNAVAILABLE IN PRICE BOOK
130H06100
Unavailable
130F
BOLT-FLANGED,6X55,BLACK
130J0655
Unavailable
