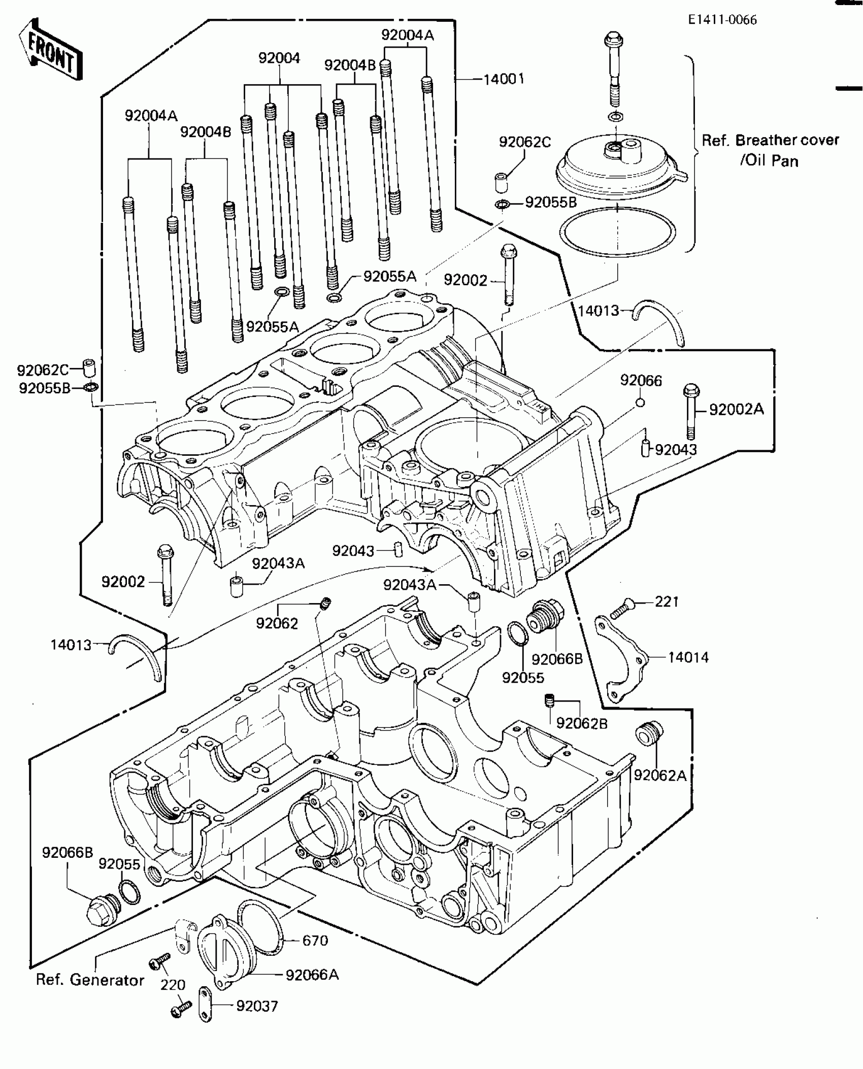
Kawasaki GPz 750 CRANKCASE Diagram
#
Description
Price
14001
SET-CRANKCASE,F.BLACK
14001-5120
Unavailable
92004B
STUD,10X116
92004-1007
Unavailable
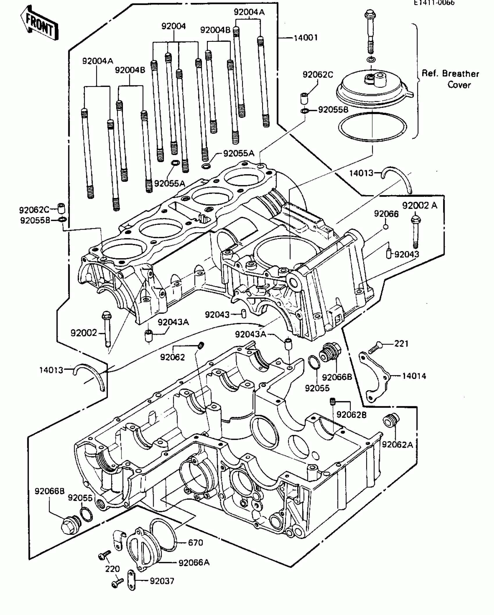
#
14001
14001-5120
Unavailable
92004B
92004-1007
Unavailable
Edit ride
