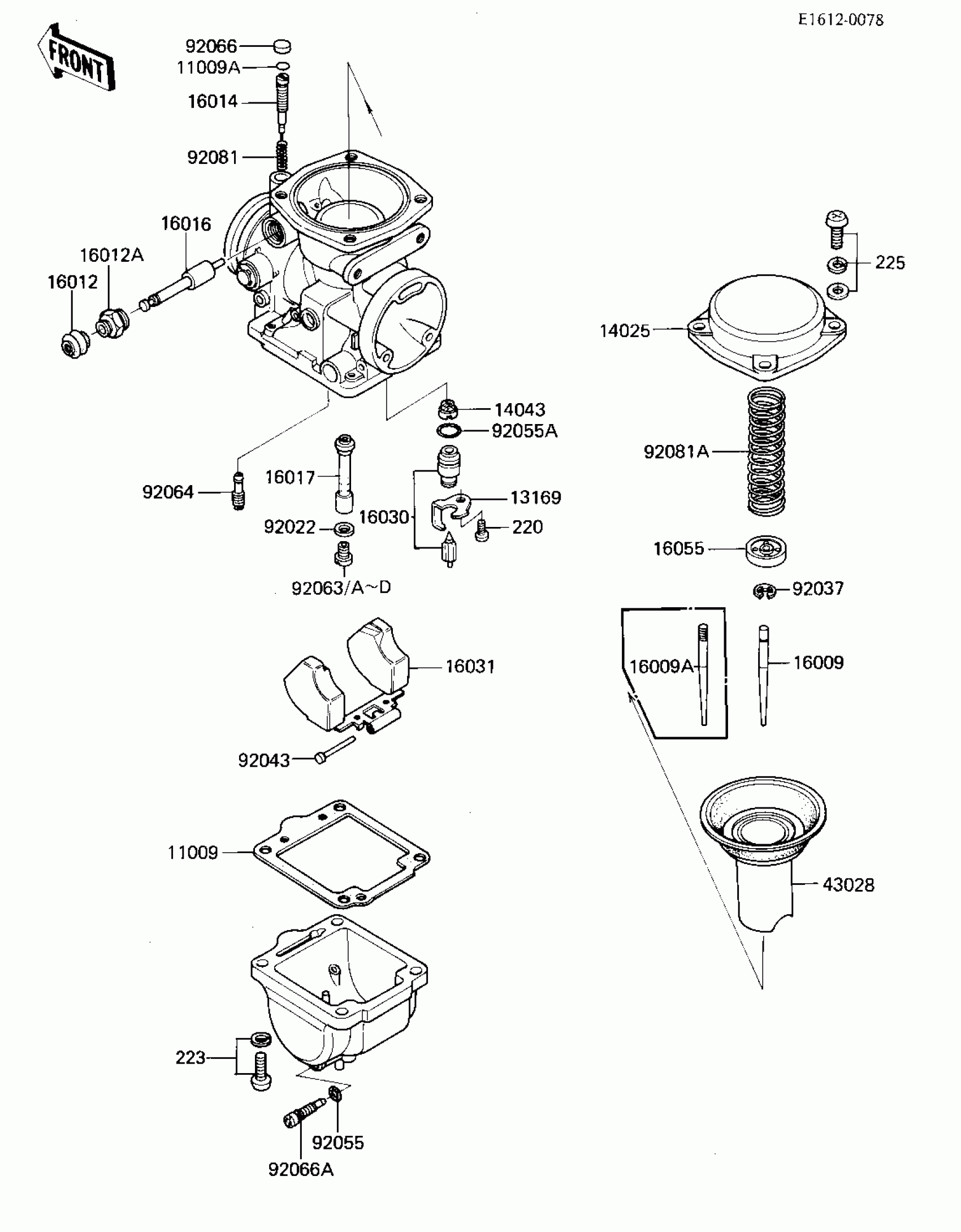
Kawasaki GPz 750 CARBURETOR PARTS Diagram
#
Description
Price
11009
GASKET,FLOAT CHAMBER
11009-1241
Unavailable
14025
COVER,MIXING CHAMBER
14025-1603
Unavailable
16009
NEEDLE-JET,4BC6
16009-1204
Unavailable
16009A
NEEDLE-JET,4BC7 (Canada)
16009-1205
Unavailable
16017
JET-NEEDLE,Y-8
16017-1138
Unavailable
43028
DIAPHRAGM,VALVE
43028-1037
Unavailable
92063A
JET-MAIN,#A107.5R
92063-1041
Unavailable
