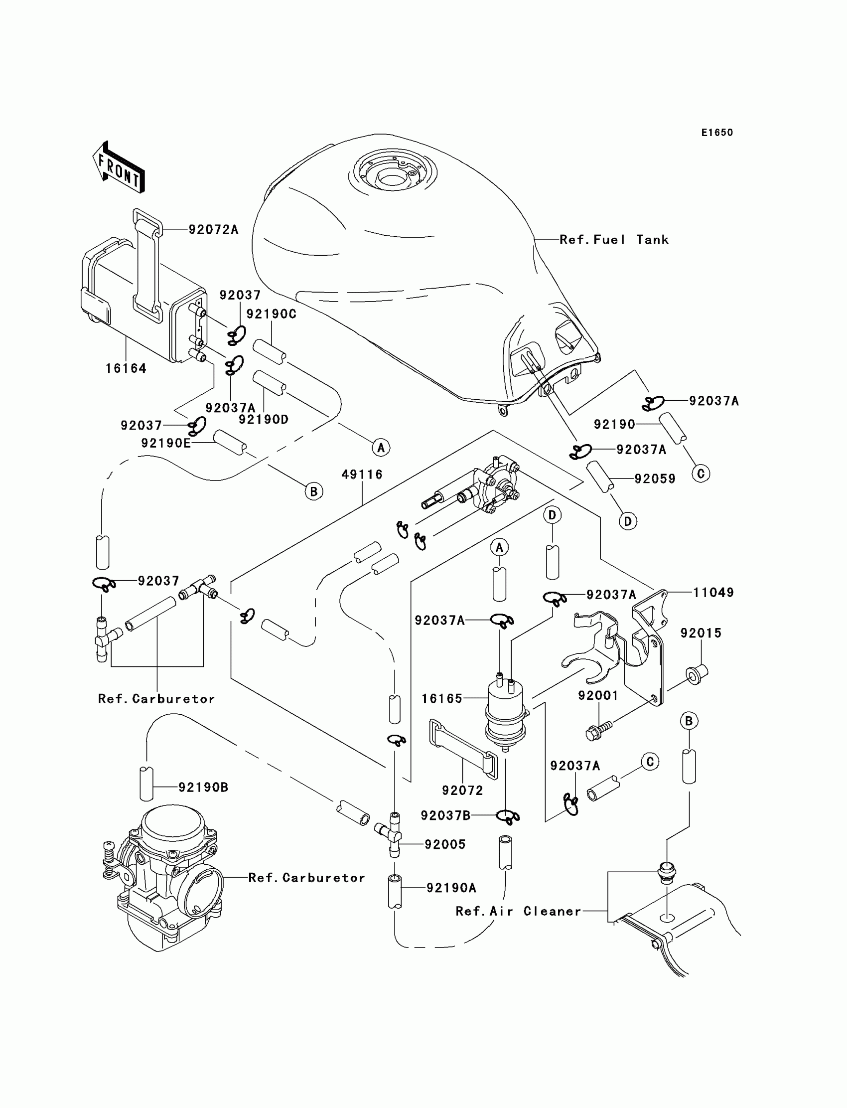
Kawasaki GPZ 1100 Fuel Evaporative System Diagram
#
Description
Price
11049
BRACKET
11049-1259
Unavailable
49116
VALVE-ASSY
49116-1137
Unavailable
92001
BOLT,6X20,W/WASHER
92001-1791
Unavailable
92005
FITTING,TUBE,T-TYPE
92005-1017
Unavailable
92190
TUBE,TANK-SEPARATOR,RED
92190-1522
Unavailable
92190A
TUBE
92190-1623
Unavailable
92190B
TUBE,4X9X590,WHITE
92190-1624
Unavailable
92190C
TUBE,7X12X560,YELLOW
92190-1625
Unavailable
92190D
TUBE,5X10X1060,BLUE
92190-1626
Unavailable
92190E
TUBE,7X12X750,GREEN
92190-1627
Unavailable
