- Partiron
- OEM Parts
- Yamaha
- snowmobile
- 1975
- GPX433G 1975
STARTER
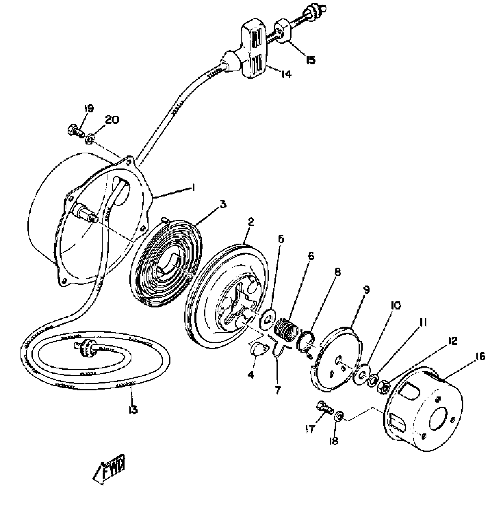
Yamaha GPX433G 1975 STARTER Diagram
#
Description
Price
1
STARTER ASSEMBLY
(857-15710-02-00)
Unavailable
1
CASE, STARTER
(857-15711-00-00)
Unavailable
2
. DRUM, SHEAVE
857-15714-00-00
Unavailable
4
. PAWL, DRIVE
616-15741-01-00
Unavailable
5
. WASHER, THRUST (802-15719-00)
626-15719-00-00
Unavailable
6
SPRING,DRIVE PLATE
626-15715-01-00
Unavailable
7
. SPRING, RETURN
811-15784-00-00
Unavailable
8
. SPRING, RETURN
811-15734-00-00
Unavailable
9
. PLATE, DRIVE
811-15716-00-00
Unavailable
10
WASHER,FLAT
807-15726-01-00
Unavailable
12
. NUT
95380-08700-00
Unavailable
13
ROPE, STARTER
(856-15751-00-00)
Unavailable
14
. HANDLE, STARTER
807-15755-00-00
Unavailable
15
. CONNECTOR 1
619-15756-00-00
Unavailable
16
PULLEY, STARTER
(878-15723-00-00)
Unavailable
17
BOLT, HEXAGON
97013-08016-00
Unavailable
19
BOLT, HEXAGON DEEP RECESS
97D95-06016-00
Unavailable
20
WASHER, SPRING
92995-06100-00
Unavailable
