- Partiron
- OEM Parts
- Yamaha
- snowmobile
- 1975
- GPX433G 1975
C - D - I - MAGNETO
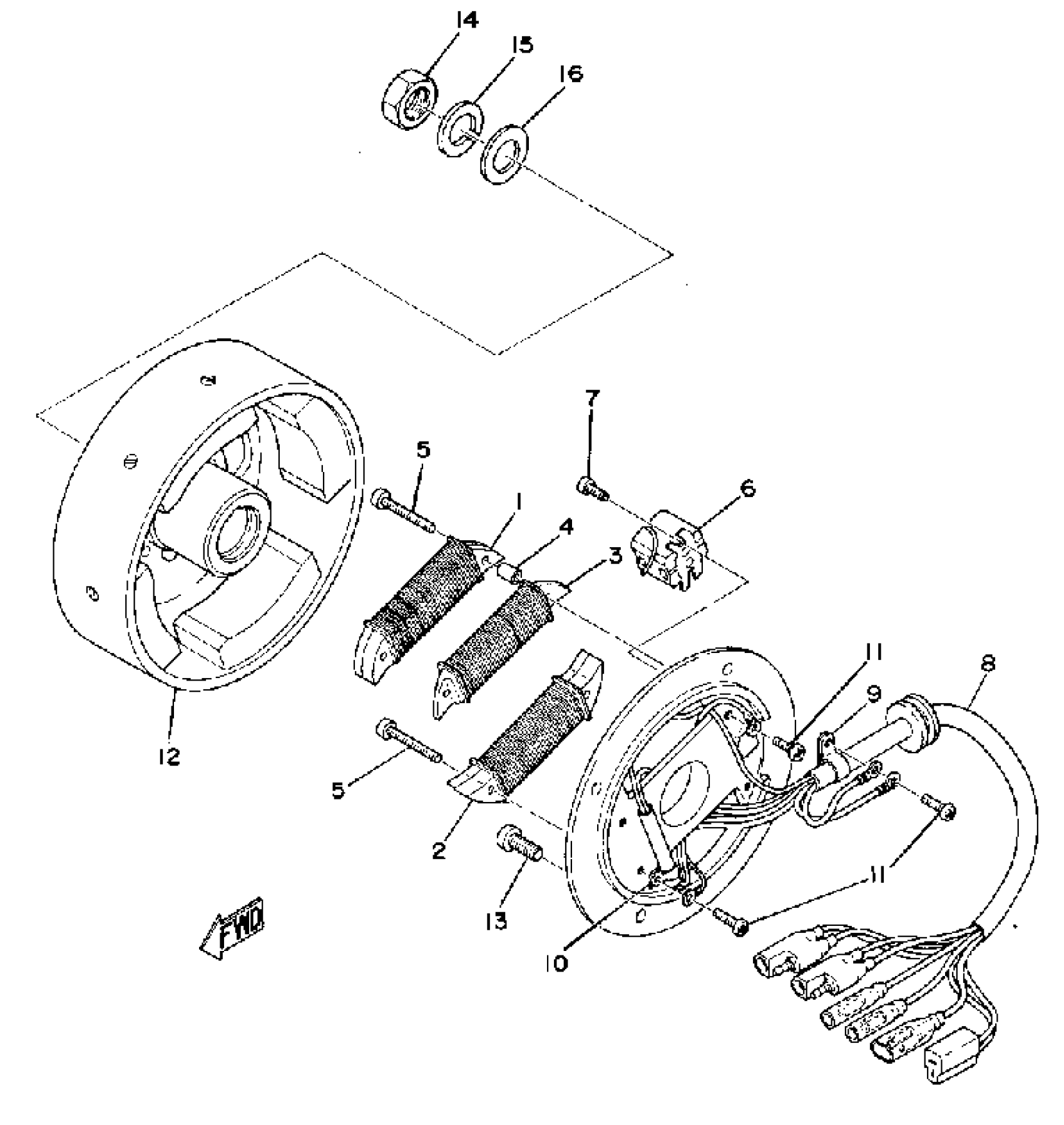
Yamaha GPX433G 1975 C - D - I - MAGNETO Diagram
#
Description
Price
1
.. SPACER
888-81318-10-00
Unavailable
1
CDI MAGNETO ASSEMBLY
(888-85500-10-00)
Unavailable
1
.. COIL, CHARGE
888-85541-10-00
Unavailable
1
CHARGE COIL
(99999-00850-00)
Unavailable
2
. COIL, LIGHTING 1
878-81313-10-00
Unavailable
3
. COIL, LIGHTING 2
878-81314-10-00
Unavailable
4
. SPACER
647-81318-10-00
Unavailable
6
COIL PULSER
(888-85543-10-00)
Unavailable
8
. LEAD WIRE ASSEMBLY
878-85515-10-00
Unavailable
9
. CLAMP
109-81328-11-00
Unavailable
10
CLAMP, LEAD
(363-85528-10-00)
Unavailable
12
. ROTOR ASSEMBLY
878-85550-10-00
Unavailable
13
SCREW, PAN
98507-06014-00
Unavailable
14
NUT
90170-16425-00
Unavailable
15
WASHER(JN5)
92907-16100-00
Unavailable
16
WASHER
(92901-16247-00)
Unavailable
